基于NB-IoT的温度监控系统的设计与实现(附电路图,仿真图,程序)
来源:56doc.com 资料编号:5D19107 资料等级:★★★★★ %E8%B5%84%E6%96%99%E7%BC%96%E5%8F%B7%EF%BC%9A5D19107
资料以网页介绍的为准,下载后不会有水印.资料仅供学习参考之用. 密 保 惠 帮助
资料介绍
基于NB-IoT的温度监控系统的设计与实现(附电路图,仿真图,程序)(课题说明书,开题报告,中期检查表,论文9500字)
摘 要 本文设计了一款由NB-IoT模块实现的一款温度实时监测系统。在该系统中,型号为STC89C51的单片机是主芯片,RDA8909模块作为NB-IoT网络远程报警器,而温度监测装置,则是利用型号为DS18B20的数字温度传感器。该系统可以达到对温度的实时观测,如果温度达到预测值还会发出警告,利用NB-IoT网络进行报警。该系统用键盘和显示电路来实现温度值的设定、调节等功能。实验表明该系统具有结构简单、性能稳定可靠、使用方便等特点。
关键词 NB-IoT; 远程监控; 单片机; 温度传感器; 远程报警;
Design and Implementation of Temperature Monitoring System Based on NB-IoT
Abstract This paper designs an intelligent temperature monitoring system based on NB-IoT network. The system uses STC89C51 as main chip, RDA8909 module as NB-IoT network remote alarm, DS18B20 digital temperature sensor as temperature acquisition device, buzzer as sound alarm, four-digit digital tube as display screen. It can realize temperature monitoring, fault analysis and over-limit alarm and remote alarm through NB-IoT network, and use keyboard and display circuit to set and adjust temperature values. Experiments show that the system has the characteristics of simple structure, stable and reliable performance, easy to use and so on.
Keywords NB-IoT; Remote Monitoring; Single Chip Microcomputer; Temperature Sensor; Remote Alarm;
4 系统原理
4.1 模块组成
初步确定系统由5大模块组成[8],如表4-1所列。
表4-1 模块组成
模块组成
核心控制 核心控制单元STC89C51RC模块;
无线通信 NB-IoT无线通信模块;
信息采集 传感器数据信息采集模块;
报警 报警模块;
显示 数码管显示模块。
系统原理框图如图4-1所示。
4.2 核心控制单元89C51单片机
它的作用是担当该系统的主要控制功能。它在此系统中的作用非常之大,一个是用作设计中硬件的实施。它的另一个作用是控制功能,作为整个报警系统能否正常运行进行监测[9]。




目 录
摘要及关键词 1
1 引言 1
2 NB-IoT背景 2
3 NB-IoT的技术特点 2
4 系统原理 2
4.1 模块组成 2
4.2 核心控制单元89C51单片机 2
4.3 NB-IoT无线通信模块——RDA8909 4
4.4 温度传感器DS18B20 8
5 硬件电路设计 10
5.1 温度检测电路 11
5.2 键盘、显示电路 11
6 系统程序设计 11
6.1 主程序流程 11
6.2 中断子程序流程 12
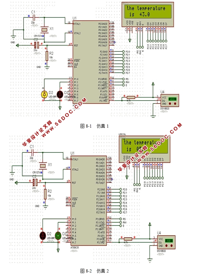
7 系统调试 12
7.1 硬件测试 12
7.2 软件测试 15
7.3 系统调试 15
8 测试结果 15
结论 16
参考文献 18
致谢 20
附录 21
|