基于太阳能收集的智能运动手环设计
来源:56doc.com 资料编号:5D26619 资料等级:★★★★★ %E8%B5%84%E6%96%99%E7%BC%96%E5%8F%B7%EF%BC%9A5D26619
资料以网页介绍的为准,下载后不会有水印.资料仅供学习参考之用. 密 保 惠 帮助
资料介绍
基于太阳能收集的智能运动手环设计(论文15000字)
摘要:近年来运动手环以其小巧时尚、能给人们日常生活带来诸多便利的优点得到了广大健身爱好者的喜爱,但电池问题依然是阻碍运动手环发展的主要问题。为了提高运动手环的续航能力,顺应节能环保的低碳生活潮流,本设计将使用太阳能收集技术,将太阳能转化为电能供给智能运动手环使用,通常情况下由锂电池供电,当光照充足时,将切换到太阳能电池板供电。同时利用GPS模块、MPU6050模块、OLED显示模块等模块为手环设计出定位、计步、抬手亮屏等功能,为人们的日常健身运动提供便利。本设计使用轻薄的太阳能电池板辅助锂电池供电,提高了运动手环的续航能力,同时为用户提供了导航、授时、计步等便利服务。
关键词:运动手环;能量收集;太阳能;电源自动切换
Design of intelligent sport wristband based on solar energy collection
Abstract: In recent years, the sport wristband has been loved by the majority of fitness enthusiasts for its small and stylish advantages that can bring convenience to people's daily life, but the battery problem is still the main problem that hinders the development of sport wristbands. In order to improve the endurance of the sport wristband and comply with the low-carbon life trend of energy saving and environmental protection, this design will use solar energy collection technology to convert solar energy into electric energy to provide energy for intelligent sport wristbands. Usually, it is powered by lithium batteries .When the light is sufficient, it will switch to solar panel power. At the same time, the GPS module, MPU6050 module, OLED display module and other modules are used to design positioning, step counting, and bright screen when people lift his hand so that the wristband can provide convenience for people's daily fitness. The design uses a thin solar panel to assist the lithium battery power supply, which improves the endurance of the sport wristband’s battery, and provides users with convenient services such as navigation, timing, and step counting.
Key words: Sport wristband; Energy harvesting; Solar energy; Automatic power switching

目 录
1 引言 1
1.1 研究意义 1
1.2 研究现状 1
1.3 本文工作内容 3
2 设计方案论证 3
2.1 设计目的 3
2.2 本设计的技术方案 3
2.2.1 单片机主控芯片的选择 4
2.2.2 定位模块的设计 5
2.2.3 MPU6050模块的设计 5
2.2.4 OLED显示屏模块 5
2.2.5 电源自动切换模块 6
2.3 本设计所带来的优点和效果 6
3 系统硬件设计与实现 6
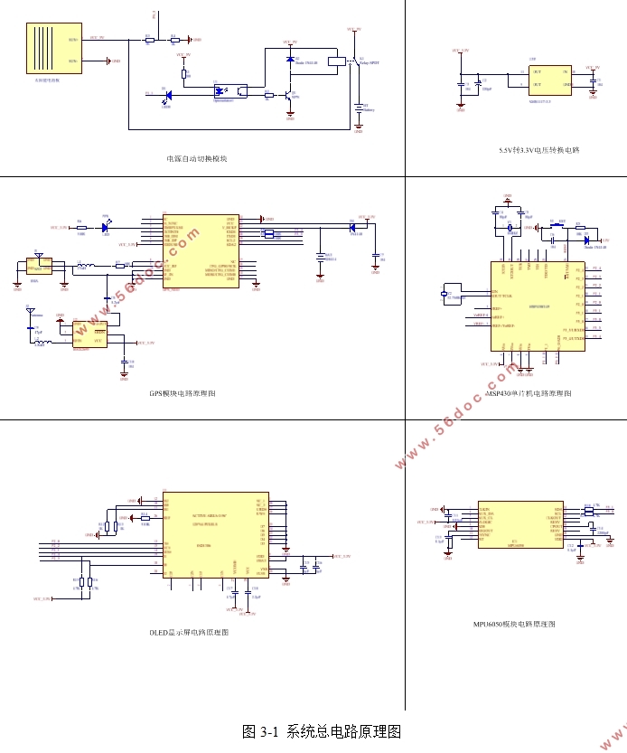
3.1 系统硬件概述 7
3.2 主要单元电路设计 8
3.2.1 电源模块电路 8
3.2.2 单片机主控模块电路 10
3.2.3 定位模块电路 10
3.2.4 MPU6050模块电路 11
3.2.5 OLED显示电路 12
4 程序设计 13
4.1 基于太阳能收集的智能运动手环主程序设计 13
4.2 子程序设计 14
4.2.1 GPS模块程序 14
4.2.2 MPU6050模块程序 15
4.2.3 OLED显示程序 16
4.2.4 电源自动切换模块程序流程图 17
5 系统调试 18
5.1 软件调试 18
5.2 硬件调试 20
5.2.1 硬件焊接 20
5.2.2 硬件连接 20
5.2.3 实物展示 20
5.2.4 系统调试 20
6 结论 26
参考文献 27
致谢 28
|