基于LT8910射频芯片的LED遥控调光系统设计
来源:56doc.com 资料编号:5D26645 资料等级:★★★★★ %E8%B5%84%E6%96%99%E7%BC%96%E5%8F%B7%EF%BC%9A5D26645
资料以网页介绍的为准,下载后不会有水印.资料仅供学习参考之用. 密 保 惠 帮助
资料介绍
基于LT8910射频芯片的LED遥控调光系统设计(论文17000字)
摘要:随着人们对数字化家居的关注度逐渐上涨,遥控调光灯的市场需求量也在逐年上升。本文设计了一种LED遥控调光系统,采用STC15W401AS单片机作为系统的主控芯片,选用LT8910 射频芯片来实现系统无线通信功能,旨在通过用户遥控上位系统里的按键实现对LED灯的开关控制,通过改变PWM的占空比来实现LED调光功能,对无线通信技术在智能照明等领域的应用将会起积极的促进作用。
关键词:STC单片机;智能照明;无线通信;PWM控制
Design of LED remote control dimming system based on LT8910
Abstract: As people's attention to the digital home gradually increased, the market demand for remote control dimmer is also increasing every year. This paper designs an LED remote control dimming system. It uses STC15W401AS microcontroller as the core control part and selects the LT8910 RF chip to realize the wireless communication of this system. It is designed to realize the switch control of LED through the buttons of user remote control upper system and realize the dimming of LED by changing the duty cycle of the PWM. In addition, it will play a positive role in the application of wireless communication technology in the field of intelligent lighting.
Key words: STC single-chip microcomputer; intelligent lighting; wireless communication; PWM control

目 录
1 引言 1
1.1 本课题的研究目的及意义 1
1.2 本课题的国内外研究现状 1
1.3 本课题的研究内容 2
2 总体设计方案 3
3 无线通信方案选择 4
4 系统硬件设计 4
4.1 单片机主控模块 4
4.1.1 STC15W401AS单片机性能介绍 4
4.1.2 STC15W401AS单片机引脚介绍 5
4.1.3 STC15W401AS单片机外围电路分析 7
4.2 无线通信模块 8
4.2.1 LT8910性能介绍 8
4.2.2 LT8910引脚功能简介 8
4.2.3 LT8910与单片机的硬件连接 9
4.3 调光电路 10
4.3.1 电平转换电路分析 10
4.3.2 锯齿波发生电路分析 11
4.3.3 PWM调光电路分析 12
4.4 功率变换电路 14
4.4.1 TDA4863-2G芯片介绍 14
4.4.2 功率因素校正电路分析 14
4.5 12V供电电路 17
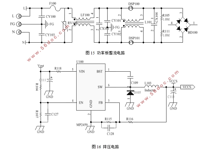
4.5.1 GBP408整流桥芯片介绍 17
4.5.2 MP2459降压芯片介绍 17
4.5.3 12V供电相关电路分析 18
4.6 3.3V供电电路分析 19
4.7 按键相关电路分析 20
5 系统软件设计 20
5.1 系统程序功能分析 20
5.2 系统主程序 21
5.3 无线通信程序 22
5.4 PWM波产生程序 23
6 系统的硬件制作与调试 24
6.1 系统硬件制作 24
6.2 系统硬件调试 25
7 总结 27
参考文献: 28
致谢 29
|