基于SPWM技术的单相全桥逆变器的研究与设计(附电路原理图)(任务书,开题报告,论文11600字,电路原理图)
摘要
逆变器从诞生至很长一段时间内,都采用模拟和开环控制的方式。这种方式的优点在于电路复杂性和成本都很低,不过输出波形谐波存在很严重的失真现象,系统延时性过高,一旦负载在瞬间发生变化,就会导致输出电压急剧变化,而此时只能被动地等待很长时间后,电压才能达到稳定,而且输入电压也会影响输出电压的稳定。这样显著的缺点决定了开环控制只能使用在电能稳定性较差的环境中。但在实践中存在很多地方对电能的质量有更高的要求,在这种情况下最好采用闭环控制方式。
目前,逆变电源在人们的生产生活中越来越常见,尤其是高性能数字信号处理器的应用日益广泛后,逆变电源已经能够做到数字化控制。从硬件结构上看,尽管数字控制的逆变电源硬件构成十分简单,但其稳定性却十分突出,更重要的是,在先进控制算法的支持下,它已经具有实时控制的能力。
本文以数字控制单相逆变器系统为对象展开了研究,该系统的采用PIC16F716单片机控制,通过对系统的研究,有力地提高了逆变电源的输出性能以及稳定性。
本文首先介绍了数字化控制逆变器在实践应用中优势所在,接着阐述了当前逆变电源数字控制方案,对SPWM单相全桥逆变器的控制技术和实现方式展开剖析,在此基础上合理设计单相全桥逆变器并进行仿真和验证。
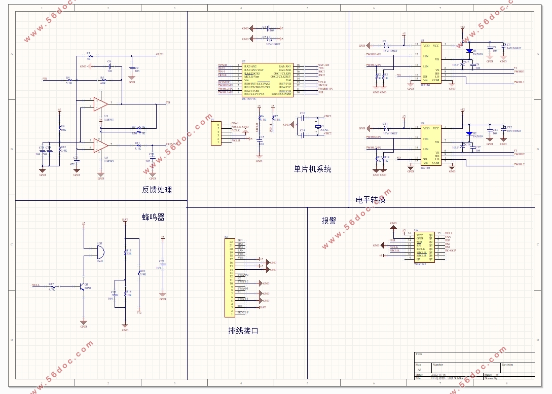
本文以利用PIC16F716单片机作为处理器的逆变器数字控制系统为对象,对该系统的理论和实验需求展开了深入的分析。结合分析的结果,全面地设计了系统的硬件平台,比如数字主控芯片、驱动电路、升压电路、逆变电路等。
文章的最后详细介绍了控制系统如何完成,并给出了控制思想的软件流程图,并分别论述了各个子程序的运行流程图并对这一系统在正确性和有效性两方面的表现进行了验证。
关键词: 逆变器,SPWM,数字信号处理器,数字化控制
Research and design of single phase full bridge inverter based on SPWM Technology
Abstract
Inverters from birth to a long period of time, both use analog and open-loop control mode. Because of the simple circuit and low cost, the distortion of the output waveform is very serious, system delay is too high, once the load change in a second, it will lead to dramatic changes in output voltage, and it waiting a long time, the voltage achieve stability, and the input voltage will also affect the output voltage stable. Such a significant drawback determines that open-loop control can only be used in the environment of poor power stability. But in practice, there are many places for the power quality of higher requirements, in this case the best closed-loop control approach.
At present, the inverter power supply is more and more common in people's production and life, especially the high performance digital signal processor is widely used, the inverter power has been able to achieve the digital control. From the point of view of hardware structure, although the digital control of the inverter hardware composition is very simple, but its stability is very prominent. More important is, in support of the advanced control algorithm, which has the ability of real-time control.
In this paper, the digital control of single-phase inverter system is studied. The key parts of the system's control is PIC16F716. Through the study of the system, effectively improve the inverter output performance and stability.
In this paper, we first introduce the digital control of inverter in the practice application advantages, and then expounds the digital inverter control scheme, of single-phase SPWM full bridge inverter control technology and the realization of the way to analyze, based on rational design of single-phase full bridge inverter and simulation and verification.
In this paper, the inverter digital control system as the processor is used as the PIC16F716, and the theoretical and experimental requirements of the system are analyzed in depth.. Combined with the results of the analysis, the hardware platform of the system is designed, such as digital master chip, driving circuit, boost circuit, inverter circuit, etc.
Article finally a detailed introduction to the software flow chart of the control system to accomplish, and gives the control idea, and discusses respectively the subprogram flow chart of the operation and performance of the system in two aspects of correctness and effectiveness are verified.
Keywords: inverter, SPWM, DSP, digital control




目录
第一章 绪论 1
1.1 课题选题背景及意义 1
1.2逆变系统概述 3
1.3 现代逆变技术分类及发展趋势 3
1.4 本文的研究内容 4
1.5 小结 4
第二章 逆变器工作原理 5
2.1 SPWM控制技术 5
2.1.1 SPWM控制的基本原理 5
2.1.2 SPWM型逆变电路的调制方式 6
2.1.3 SPWM驱动脉冲的实现方法 8
2.2 小结 9
第三章 系统硬件电路设计 10
3.1系统总体设计方案 10
3.2单元电路设计 10
3.2.1 单片机系统 10
3.2.2 驱动电路 11
3.2.3 升压电路 14
3.2.4 逆变电路 16
3.3小结 16
第四章 逆变器软件设计 17
4.1系统软件总体结构 17
4.2系统子程序流程 19
4.2.1 初始化程序 19
4.2.2 中断程序 20
4.2.3 SPWM波型输出程序 21
4.3小结 23
第五章 实验测试及分析 24
5.1 电路板 24
5.2实验测试 24
5.2 MATLAB仿真及分析比较 25
5.3 小结 27
结语 28
参考文献 29
致谢 33
附录1:主控板电路图 34
|