{$cfg_webname}
主页 > 电子信息 > 单片机 >

基于单片机的MP3录放器设计(含电路原理图,程序)

来源:56doc.com  资料编号:5D16185 资料等级:★★★★★ %E8%B5%84%E6%96%99%E7%BC%96%E5%8F%B7%EF%BC%9A5D16185
资料以网页介绍的为准,下载后不会有水印.资料仅供学习参考之用. 帮助
资料介绍

基于单片机的MP3录放器设计(含电路原理图,程序)(课题申报表,任务书,开题报告,中期检查表,外文翻译,论文19500字,程序,答辩PPT)
摘 要
随着电子技术的发展, MP3播放器是目前市场上流行的消费类数码产品之一,具有大容量、高音质、小巧便携等特点而倍受广大消费者的青睐。在信息家电和行业应用手持信息设备等信息终端类产品中,具备MP3功能已成为此类产品的发展趋势之一。如我们常见的智能手机、电子词典、PDA一般都具有MP3的功能实现。
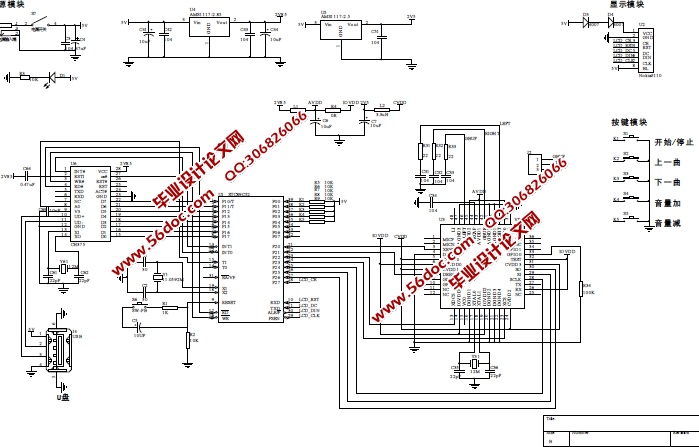
本设计是一款基于STC89C52单片机的音乐播放系统。通过现有的基于ARM、DSP和专用的解码芯片等几种方案的比较,最终选择使用专用解码芯片VS1003的设计方案,结合USB接口芯片CH375、LCD等外围设备设计并实现MP3播放器。主要功能有:播放VS1003 支持的所有音频文件, 包括MP3,WMA,WAV文件,且音质非常好,具有按键控制播放上一首/下一首、音量增减等,可通过LCD显示播放状态信息等功能。文章详细论述播放器的软件和硬件结构设计,此播放器具有一定的实用价值。

关键字:MP3播放器;单片机;解码芯片

Abstract
With the development of electronic technology, the MP3 player is one of the popular consumer digital products on the market at present with large capacity, high quality, compact and portable, etc which are the majority of consumers. Applications in information appliance and industry with information devices such as information terminals in the products, have the MP3 function has become one of the development trend of such products as our common smart phone, electronic dictionary, PDA are generally with the realization of the function of the MP3.
This topic is based on a STC89C52 SCM music playback system. Through the existing based on ARM, DSP and special decoding chip, etc. Several kinds of scheme comparison Eventually choose to use a special decoding chip VS1003 design, combined with the USB interface chip CH375, LCD and other peripheral equipment was designed and implemented an MP3 player. Main functions are: play VS1003 support all audio files, including MP3, WMA, WAV files, and the sound quality is very good, has the button control playback/poem, the volume increase or decrease, etc., can be shown through the LCD display status information, and other functions. The article detailed discusses the software and hardware structure design of players, the players have a certain practical value.

Key words: MP3 player; Single chip microcomputer; Decoding chip
 
本次设计采用的是STC89C52单片机组合VS1003解码,并通过CH375USB专用芯片进行数据读取,这种组合方式相比于AVR或者MSP430系列的高端单片机,达到的播放效果也毫不逊色。本论文主要实现了以下功能:
    1.解码芯片采用VS1003,该芯片是一个单片MP3/WMA/MIDI音频解码器和ADPCM编码器,能解码 MPEG 1 和MPEG2 音频层 III(CBR+VBR+ABR);WMA 4.0/4.1/7/8/9 5-384kbps 所有流文件;WAV(PCM+IMAAD-PCM);产生MIDI/SP-MIDI 文件。
    2.U盘数据读取部分采用芯片CH375,它是一个USB总线的通用接口芯片,支持HOST主机方式和SLAVE设备方式。在本地端,CH375具有8位数据总线和读、写、片选控制线以及中断输出,可以方便地挂接到单片机/DSP/MCU等控制器的系统总线上。
    3.LCD液晶显示部分,本论文采用Nokia5110,可以显示四行汉字,将播放信息显示在液晶屏幕上。
    4.由于设计中解码芯片VS1003和U盘数据读取芯片供电采用3.3V电压,故采用AS1117低压差线性稳压器对板载5V电压进行降压处理。
    5.键盘部分采用独立按钮设计,分别可以实现MP3的播放/停止、上一曲/下一曲、声音的调节、功能的切换等功能。
    本系统具有以下特点:
1.在硬件部分,由复位电路和晶振电路与单片机构成最小系统,由最小系统为核心展开对外围电路的设计,这样会大大减少设计电路的难度。
2.由于设计所需电源为3.3V,而外接电源为5V,因此,要在设计中加上可调输出电源电路部分,在设计中我采用AS1117低压差线性稳压器,不仅仅它可以将5V电压转换为设计所需要的3.3V电压,它还具有完善的过流保护和过热保护功能,可以很好的保护电路。
3.系统的整个设计难点在于单片机如何高效的从U盘中读取数据,并以一定的时序将缓冲的数据传输给VS1003,实现解码,在此采用的方法一是提高系统的时钟;二是通过修改软件,精简程序,来加快了系统的传输速率,使播放音乐更加流畅。

 

基于单片机的MP3录放器设计(含电路原理图,程序)
基于单片机的MP3录放器设计(含电路原理图,程序)
基于单片机的MP3录放器设计(含电路原理图,程序)
基于单片机的MP3录放器设计(含电路原理图,程序)
基于单片机的MP3录放器设计(含电路原理图,程序)


目 录
第1章 概 述    1
1.1 引言    1
1.2 MP3播放器的工作原理    2
1.3 任务要求    3
第2章 方案论证与比较    4
2.1 单片机的选择    4
2.2 解码芯片的选择    6
2.3 按键模块的选择    8
2.4 显示模块的选择    9
2.5 本章小结    10
第3章 系统的硬件设计    11
3.1 硬件总体设计    11
3.2 单片机最小系统部分    11
3.3 解码芯片部分    14
3.4 LCD显示部分    17
3.5 行列式键盘输入    22
3.6 电源部分    23
3.7 U盘数据读取部分    24
3.8 本章小结    26
第4章  系统的软件设计    27
4.1 主程序流程图    27
4.2 VS1003解码芯片驱动流程图    27
4.3 CH375 U盘数据获取程序流程图    27
4.4 按键程序    27
4.5 本章小结    30
结 论    31
参考文献    32
致 谢    33
附 录    34
 

推荐资料