基于单片机的原油油水界面检测系统设计(任务书,开题报告,外文翻译,论文13000字)
摘要
在原油生产过程中,开采出来的原油并不纯净,含有很多的水气等杂质。为了去除杂质,需要进行原油与杂质的分离,尤其是油水分离。为了实现对油水分离过程的检测与控制,须对油水界面进行准确的测量。由于油水分离罐中原油与水界面的复杂性,想达到理想的准确度,利用传统电容传感器,几乎不可能实现。本课题正是针对这一难题,认真研究了传统传感器不足之处,取其优点,去其缺点,采用分段式电容传感器,设计出一种新的检测系统。文中详细对油水界面的检测原理和整个系统的构成进行了阐述,并对实现系统功能的硬件和软件进行了设计。完成了本设计的总结,从而验证分段电容式测量液位的方法在本课题应用中的选择是正确的。
本文的特色在于简单实用的原则。基于这个原则,我们选用了改进过的传统电容传感器,也就是分段式电容传感器。并提出油水界面判断的差值算法。在此基础上针对界面分层明显的测量对象采用了更加实用的拟合曲线,提高了测量精度。
关键字:油水界面,分段式电容器,单片机
Abstract
In the crude oil production process, the extraction of crude oil is not pure, containing a lot of water and other impurities. In order to remove impurities, the need for crude oil and impurities separation, especially oil and water separation. In order to achieve the detection and control of oil and water separation process, the oil and water interface to be accurate measurement. Due to the complexity of the crude oil and water interface in the oil-water separation tank, it is almost impossible to achieve the desired accuracy by using conventional capacitance sensor. This topic is aimed at thisproblem, carefully studied the traditionalsensor shortcomings, take its advantages, to its shortcomings, the use of sub-type capacitance sensor, design a new detection system. In this paper, the principle of oil-water interface detection and the composition of the whole system are described in detail, and the hardware and software of system function are designed. The completion of the design of the summary, so as to verify the method of measuring the level of capacitance measurement in the application of this topic is correct.
This article is characterized by simple and practical principles. Based on this principle, we have chosen the improved traditional capacitance sensor, that is, segmented capacitance sensor. And the difference algorithm of oil - water interface judgment is proposed. On the basis of this, a more practical fitting curve is adopted for the measurement object with obvious interface, and the measurement accuracy is improved. At the same time, the computer remote monitoring technology is applied to the process of oil - water interface detection.
Keywords:oil and water interface, segmented capacitor,single chip


目录
第1章 绪论 1
1.1油水液面测量的背景和意义 1
1.2油水界面测量方法简介 2
1.3本设计的主要内容 3
第2章 系统的总体策划 5
2.1概论 5
2.2系统总体架构 6
2.3 相关设施 6
2.3.1 传感器 7
2.3.2 AT89C51单片机 7
2.3.3 ADC和DAC 9
第3章 系统的硬件设计 10
3.1系统硬件设计原则 11
3.2 系统的复位电路设计 11
3.3传感器及其检测电路设计 12
3.3.1概论 12
3.3.2分段式电容传感器设计 14
3.3.3分段式电容传感器原理 15
3.3.4信号检测电路设计 16
3.3.5信号采集电路设计 19
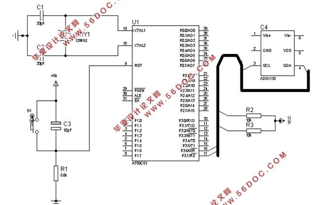
3.4分段式电容传感器与单片机的连接电路设计 20
第4章 系统的软件设计 21
4.1编程语言和开发工具 21
4.2 数据采集子程序设计 21
4.3数字滤波子程序设计 21
4.4 数据显示子程序设计 22
第5章 误差分析 23
5.1电容测量误差对界面测量精度的影响 23
5.2影响界面测量精度的主要因素 23
第6章 总结 24
参考文献 25
致谢 27
|