基于单片机的儿童成长管理系统设计(附实物图,原理图,程序代码)
来源:56doc.com 资料编号:5D21708 资料等级:★★★★★ %E8%B5%84%E6%96%99%E7%BC%96%E5%8F%B7%EF%BC%9A5D21708
资料以网页介绍的为准,下载后不会有水印.资料仅供学习参考之用. 密 保 惠 帮助
资料介绍
基于单片机的儿童成长管理系统设计(附实物图,原理图,程序代码)(任务书,开题报告,论文20000字)
摘 要
本文针对传统儿童身高体重测量仪器测量费时、测量误差大、无法统一管理监控等缺点做了进一步的改进,主要介绍一个基于单片机的儿童成长管理系统。它由上位机和下位机两部分组成,下位机部分由电源电路、单片机最小系统电路、液晶屏电路、超声波模块电路、体重测量模块电路、AD转换器电路、通讯模块电路构成,具有测距、测重等功能,上位机部分由计算机和上位机软件“儿童成长管理系统”构成,具有数据保存和分析、图表显示数据等功能。本次设计融合了日益成熟的超声波、传感器等技术,主要实现了儿童身高、体重数据的采集以及数字化显示,并将数据发送到上位机软件上进行数据的存储和分析,达到管理儿童成长情况的目的。本次设计具有成本低、模块化、小型化、低功耗、自动化程度高等优点。
关键词:单片机 上位机 下位机 图表显示
Abstract
This paper mainly introduces a children growth management system which is based on the single chip computer. It can get rid of the disadvantage of the traditional children measuring instruments that consume too much time and can not be managed and monitored on the computer. It contains two parts of the epigynous machine and the hypogynous machine. The hypogynous machine consists of the power supply circuit, the MCU minimum system circuit, the LCD circuit, the ultrasonic module circuit, the weight measuring module circuit, the AD converter circuit, the serial communication circuit. The epigynous machine consists of the computer and the children's growth management system application which includes the height ranging function, weight measuring function, data analysis and preservation function , chart display function and so on. It achieves the acquisition and the digital display of the height data and the weight data and then sent the data to the computer to store and analysis. It is further improved that it takes advantage of the ultrasonic waveform technology and sensor technology. The system is modular and low-cost. It has the advantage of miniaturization, low power consumption and high degree of automation.
Key Words: Single Chip Computer; Epigynous Machine; Hypogynous Machine; Chart Display


目录
摘 要 I
Abstract II
第一章 绪论 1
1.1 研究背景和意义 1
1.2 国内外研究现状 1
1.3 本文研究内容 4
1.4 本文研究结构 5
1.5 本章小结 5
第二章 系统总体方案设计 6
2.1 系统方案设计与验证选型 6
2.2 方案框图和功能简介 8
2.3 方案的选择与论证 9
2.3.1 电源模块的选择 9
2.3.2 超声波模块选择 9
2.3.3 体重传感器选择 10
2.3.4 AD转换模块选择 10
2.3.5 液晶屏选择 10
2.3.6 按键选择 11
2.3.7 通讯模块选择 11
2.4 本章小结 11
第三章 系统硬件电路设计 12
3.1 STM32最小系统 12
3.2 电源电路 13
3.3 超声波模块 14
3.4 体重传感器模块 14
3.5 AD转换模块 15
3.6 液晶屏电路 15
3.7 按键电路 17
3.8 LED显示电路 17
3.9 通讯模块电路 18
3.10 STM32 IO口的资源分配 19
3.11 本章小结 19
第四章 系统软件设计 20
4.1系统总体设计构成 20
4.2下位机程序设计 21
4.2.1 超声波模块 21
4.2.2 AD转换模块 23
4.2.3 液晶屏显示 24
4.2.4 触摸屏 25
4.2.5 通讯模块 27
4.3 上位机程序设计 28
4.4 本章小结 30
第五章 系统的综合调试 31
5.1 下位机调试 31
5.1.1 下位机硬件调试 31
5.1.2 下位机程序调试 31
5.2 上位机调试 33
参考文献 35
致谢 36
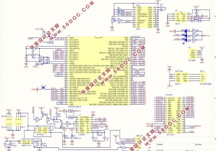
附件A 原理图 37
附件B 实物图 38
附件C 源程序 39
|