基于wifi模板的火焰报警系统的设计(含电路原理图,程序代码)(开题报告,论文10000字,电路原理图,程序代码)
摘要
火灾是日常生活中最为常见,危险也非常大的一种事故,其产生的原因多种多样,但其带来的伤害对人民的利益却是沉重的,尤其是在一些写字楼,高层建筑中,其带来的危害更是巨大,往往会造成人员的伤亡,因此火灾报警系统的设计具有非常重要的应用意义。
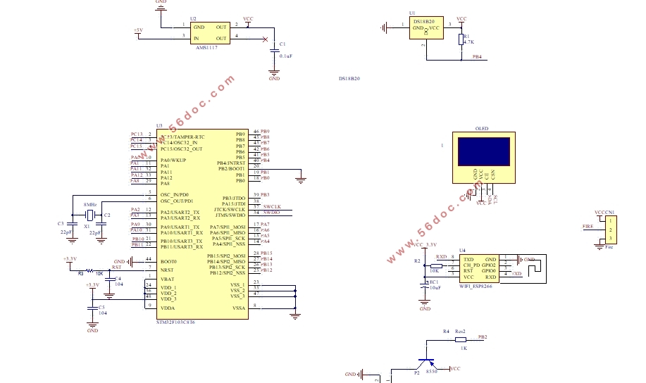
在本次基于wifi模板的火焰报警系统中,其采用STM32F103单片机作为控制器,并结合DS18B20温度传感器,火焰传感器,ESP8266 WiFi通信模块,蜂鸣器,OLED液晶构成整个系统,当检测到温度太高,或者有火焰时会通过蜂鸣器进行报警提醒,并通过液晶进行显示,然后将相应的信息通过ESP8266 WiFi模块传输到手机APP,方便用户进行查看。在设计过程中,不仅采用了Altium完成了火焰报警系统中单片机最小系统,温度检测等各个模块的电路设计,还对采用C语言对核心程序进行编写,最终完成了整个设计。
关键词:单片机, 火灾,温度,火焰,WiFi
Abstract
Fire is the most common and dangerous accident in daily life. Its causes are diverse, but the harm it brings to the interests of the people is heavy, especially in some office buildings and high-rise buildings. It often causes casualties. Therefore, the design of fire alarm system has very important application significance.
In this flame alarm system based on WiFi template, STM32F103 single chip microcomputer is used as the controller, combined with DS18B20 temperature sensor, flame sensor, esp8266 WiFi communication module, buzzer and OLED liquid crystal to form the whole system. When the temperature is too high or there is a flame, it will alarm and remind through the buzzer, display through the liquid crystal, and then transmit the corresponding information to the mobile phone app through the esp8266 WiFi module, It is convenient for users to view. In the design process, Altium is not only used to complete the circuit design of MCU minimum system, temperature detection and other modules in the flame alarm system, but also the core program is written in C language, and finally the whole design is completed.
Key words: single chip microcomputer, fire, temperature, flame, WiFi
总体方案设计
在本次基于wifi模板的火焰报警系统中,整个系统架构如图2.1所示,其采用STM32F103单片机作为控制器,并结合DS18B20温度传感器,火焰传感器,ESP8266 WiFi通信模块,蜂鸣器,OLED液晶构成整个系统,当检测到温度太高,或者有火焰时会通过蜂鸣器进行报警提醒,并通过液晶进行显示,然后将相应的信息通过ESP8266 WiFi模块传输到手机APP,方便用户进行查看。


目录
摘要 I
1 绪论 1
1.1研究背景 1
1.2研究现状 1
1.3本文主要内容 2
2 系统方案设计 3
2.1 总体方案设计 3
2.2 主控制器方案设计 3
2.3温度检测方案选择 4
2.4无线方案通信选择 5
2.5显示系统方案选择 5
2.6本章小结 6
3 硬件电路设计 7
3.1主控制电路 7
3.2温度检测模块 8
3.3火焰检测电路 8
3.4 WiFi通信电路设计 9
3.5 显示电路设计 10
3.6报警电路设计 10
3.7本章小结 11
4 软件设计 12
4.1 Keil平台 12
4.2主程序设计 12
4.3温度检测程序设计 13
4.4 WIFI通信程序设计 14
4.5 显示程序 15
4.6本章小结 1
5 系统调试 2
5.1 硬件调试 2
5.2软件调试 2
5.3本章小结 4
总结 5
参考文献 6
致谢 22
|