基于单片机的酒精测试仪的设计
来源:56doc.com 资料编号:5D27018 资料等级:★★★★★ %E8%B5%84%E6%96%99%E7%BC%96%E5%8F%B7%EF%BC%9A5D27018
资料以网页介绍的为准,下载后不会有水印.资料仅供学习参考之用. 密 保 惠 帮助
资料介绍
基于单片机的酒精测试仪的设计(任务书,开题报告,论文12000字)
摘 要
近年来随着经济的高速发展,交通事故也越来越频发,其中由酒驾引起的事故更是不在少数。随着“醉驾”的正式入刑,人们对酒后驾车也越来越关注,不少司机和交警都非常想拥有一个便携式仪器可以很容易地测量乙醇气体的浓度,尽可能采取预防措施,保护人们的人身安全。本次设计的酒精检测仪的主控制元件是STC89C52单片机,由气体传感器MQ3检测呼吸呼出的气体中的酒精浓度,然后A/D转换电路对气敏传感器MQ3的输出信号进行采集,并传输到STC89C52单片机进行处理。当检测到酒精浓度超过设定的酒后驾车的阀值时,检测仪可通过蜂鸣器和三极管实现声光报警功能,同时将检测到的酒精气体浓度通过LED显示出来,并自动切断汽车启功系统的点火电路,使驾驶员驾驶的汽车熄火,从源头上解决司机酒后驾车的问题。
关键词:酒后驾驶 AT89S52单片机 自动控制系统 气体传感器
The design of the alcohol tester based on MCU
Abstract
With the rapid economic development in recent years, more and more frequent accidents, including accidents caused by drunk driving caused is not unusual. With the "drunk driving" into the formal punishment, people are increasingly concerned about drunk driving, many drivers and traffic police are very much like to have a portable instrument can easily measure the concentration of ethanol gas, as much as possible to take preventive measures to protect people's personal safety. The design of the alcohol detector main control element is STC89C52 microcontroller, detected by the gas sensor MQ3 breathing exhaled breath alcohol concentration, and A / D converter circuit on the output signal of the gas sensor MQ3 be collected and transferred to STC89C52 MCU processing. When detecting the alcohol concentration above the set threshold for drunk driving, the detector can be achieved through sound and light alarm buzzer and the transistor, while the detected gas concentration of alcohol through LED displays, and automatically cut off the car start ignition circuit of the power system, the driver driving the car is turned off, the driver of drunk driving to solve the problem from the source.
Keywords: drink-driving; AT89S52 microcontroller; automatic control system; gas sensor


目录
摘 要 I
Abstract II
第一章 绪论 1
1.1 酒精测试仪的背景 1
1.2 酒精测试仪的研究现状 1
1.3 酒精测试仪的系统设计 2
1.4 本文的内容安排 2
第二章 系统方案分析与选择论证 4
2.1 系统方案设计 4
2.1.1 微处理器方案 4
2.1.2 传感器方案 6
2.1.3 数模转换 7
2.1.4 显示模块方案 8
2.1.5 继电器方案 9
2.2 系统最终方案 10
第三章 基于单片机的酒精测试仪的硬件设计 12
3.1 乙醇信号检测及调理电路 12
3.2 单片机电路 17
3.2.1 晶振电路 20
3.2.2 复位电路 20
3.3 显示电路 21
3.4 供电及程序下载电路 23
3.5 继电器驱动电路设计 23
3.6 报警模块电路设计 24
第四章 基于单片机的酒精测试仪软件设计 26
4.1 软件开发环境 26
4.2 A/D转换模块程序流程图 27
4.3 液晶显示程序流程图 29
4.4 继电器驱动子程序设计及流程图 29
4.5 本章小结 30
第五章 系统调试 31
5.1 系统硬件调试 31
5.2 系统软件调试 31
5.3 系统整体调试 32
第六章 本设计总结与展望 33
致 谢 34
参考文献 35
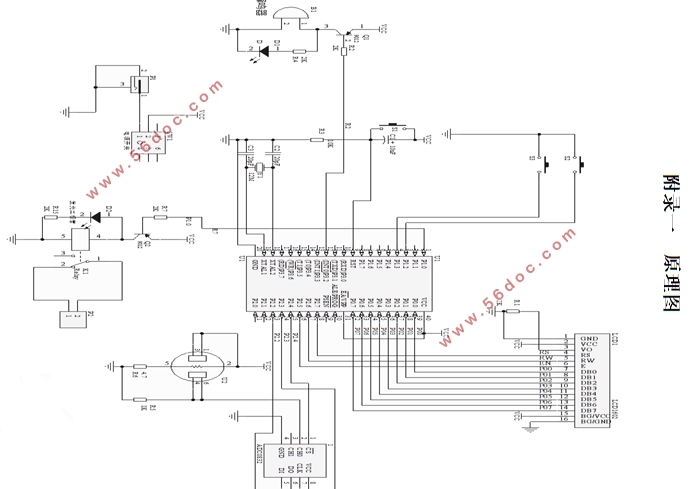
附录一 原理图 37
附录二 程序 38
|