基于STC89C52的智能窗帘设计
来源:56doc.com 资料编号:5D27054 资料等级:★★★★★ %E8%B5%84%E6%96%99%E7%BC%96%E5%8F%B7%EF%BC%9A5D27054
资料以网页介绍的为准,下载后不会有水印.资料仅供学习参考之用. 密 保 惠 帮助
资料介绍
基于STC89C52的智能窗帘设计(论文18000字)
摘要:在国民经济普遍提高的背景下,使用智能家居替代传统家装的家庭日益增多。许多智能家居的设计应运而生,本文旨在设计一款基于单片机的智能窗帘。该设计的控制核心是STC89C52单片机,还包括了光敏传感器模块,按键电路模块,蓝牙模块,语音模块等。这种智能窗帘具有传统的人工控制、蓝牙控制、光控三种不同的控制方式可供选择,光控模式是让窗帘按照事先设定的光强阈值实现开关闭;蓝牙控制模式是将智能窗帘连接到蓝牙,然后通过手机与窗帘建立连接,发送控制命令控制窗帘开关状态;人工控制则是同手工之间对开关进行设置。本设计以实际生活中的使用需求考虑进行设计,设计的产品可以在各种环境中使用,具有一定的的使用价值。
关键词:智能窗帘;STC89C52单片机;光强检测;蓝牙控制
Smart curtain design based on STC89C52
Abstract:In the context of the general improvement of the national economy, households using smart homes to replace traditional home furnishings are growing. Many smart home designs came into being. This article aims to design a smart curtain based on single-chip microcomputer. The design of the control core is the STC89C52 microcontroller, also includes a photosensitive sensor module, button circuit module, Bluetooth module, voice module. The intelligent curtain has three different control modes: manual control, Bluetooth control, and light control. The light control mode allows the curtains to be turned on and off according to the preset light intensity threshold. The Bluetooth control mode is the smart curtains. Connected to Bluetooth, and then establish a connection with the curtain through the phone, send control commands to control the state of the curtain switch; manual control is to set the switch between the same hand. This design is designed in consideration of practical use needs. The designed product can be used in various environments and has a certain use value.
Key words:Intelligent curtain; STC89C52 single-chip microcomputer; Light intensity detection; Blueteeth control


目 录
1 引言 1
1.1 研究目的和意义 1
1.2 国内外发展现状 1
1.3 本设计研究的主要内容 2
2 系统硬件方案选择 2
2.1 硬件方案的选择 3
2.1.1 主控芯片的选择 3
2.1.2 显示器件的选择 3
2.1.3 时钟器件的选择 4
2.1.4 步进电机驱动的选择 4
2.2 系统总体方案 5
3 系统硬件电路设计 6
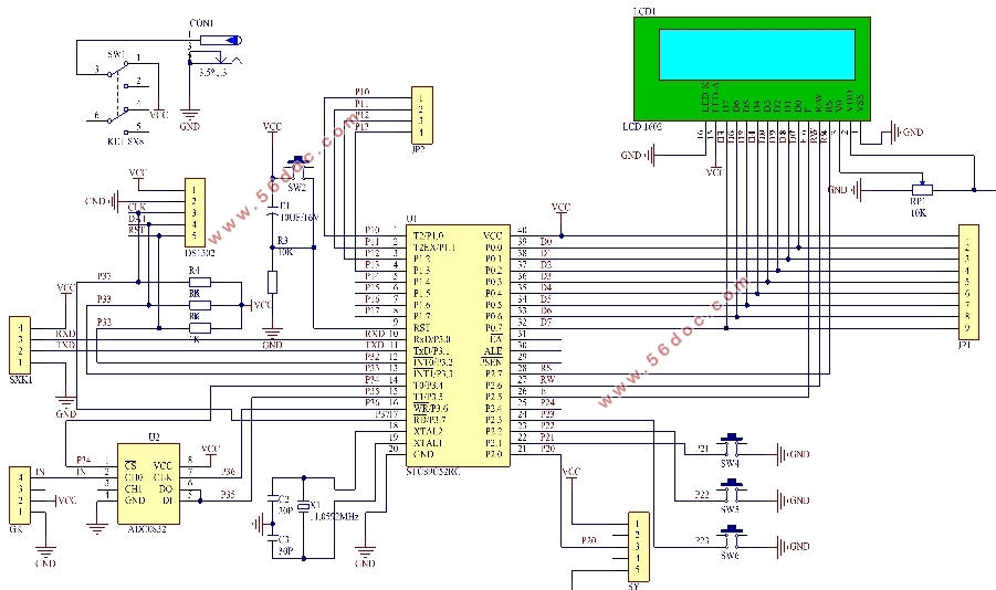
3.1 STC89C52单片机系统设计 6
3.1.1 STC89C52的概述 6
3.1.2 STC89C52单片机的最小系统 6
3.2 光敏传感器 8
3.2.1 光敏传感器的概述 8
3.2.2 工作原理及特点 8
3.3 DS1302时钟电路设计 9
3.4 ADC0832电路设计 11
3.4.1 ADC0832的概述 11
3.4.2 ADC0832的工作原理 11
3.5 步进电机及其驱动芯片 13
3.5.1 步进电机概述 13
3.5.2 步进电机驱动芯片ULN2003 13
3.5.3 ULN2003与单片机的连接 14
3.6 独立按键电路的设计 14
3.7 LCD1602液晶显示电路设计 15
3.8 蓝牙模块CC2541 17
3.8.1 cc2541概述 17
3.8.2 器件特性 17
3.9 语音模块 18
3.9.1 MP3-TF-16P概述 18
3.9.2 MP3-TF-16P功能 18
3.10 原理图绘制软件的介绍 19
4 系统软件部分设计 19
4.1 软件开发环境的介绍 19
4.2 系统重要函数的介绍 19
4.2.1 主函数的设计 19
4.2.2 LCD1602显示函数的设计 20
4.2.3 DS1302读时函数的设计 21
4.2.4 ADC0832转换函数的设计 22
4.2.5 步进电机控制函数的设计 23
5 系统仿真 25
5.1 仿真电路图绘制 25
5.2 程序编译 27
5.3 仿真 28
6 调试和故障分析 31
6.1 系统硬件测试 31
6.2 系统软件测试 32
7 总结与展望 34
参考文献 35
致谢 36
附录A 原理图 37
附录B 源程序 38
|