纯电动汽车电机控制器控制策略研究(任务书,开题报告,文献摘要,外文翻译,论文说明书34000字,PDF图3张)
摘 要
世界范围内资源短缺、环境污染的问题正日益严峻,大力发展以纯电动汽车为代表的新能源汽车为缓解这两大难题提供有效的途径。
驱动电机作为纯电动汽车的核心部件,直接影响着整车各项性能指标。应用高性能的电机控制器以及合理的电机控制策略能够保障驱动电机高效、稳定地运行。本文选用德州仪器所生产的TMS320F2812 DSP作为电机控制器的核心处理器。通过比较各类电机控制策略的优缺点及适用范围,本文选用磁场定向矢量控制策略对驱动电机进行控制。
本文基于永磁同步电机在两相转子坐标系下的数学模型深入研究了磁场定向矢量控制策略。并考虑电机在使用过程中的铁损以及铜损功率,提出了永磁同步电机的效率模型。
为验证矢量控制策略的可行性,本文通过MATLAB/Simulink平台建立了永磁同步电机矢量控制系统仿真模型,并对各模块的功能及实现方法进行详细阐述。
电机控制器的设计过程包含硬件系统以及软件系统两大层面。针对硬件系统,本文设计了相关电机控制器控制电路以及逆变器部分辅助电路。
针对软件系统的开发,本文基于模型的软件系统设计思想,应用MATLAB的Embedded Coder工具箱以及CCS软件设计电机控制器算法程序,并通过搭建处理器在环(PIL)仿真模型验证软件系统的准确性。
为验证电机控制器所应用矢量控制策的可行性,本文基于已提出的永磁同步电机仿真模型,针对纯电动汽车相关典型工况研究电机转速响应特性。并且根据驱动电机效率模型,通过Advisor软件对在UDDS城市道路工况以及HWFET公路工况下的电机工作效率以及整车续航能力开展相关研究。
关键词:纯电动汽车;电机控制器;矢量控制策略;仿真分析
Abstract
The problems of resource shortage environmental pollution are becoming more and more serious all over the world. It is an effective way to alleviate this two problems by developing alternative fuel vehicles which are represented by pure electric vehicles.
As the core component of pure electric vehicle, drive motor directly influences the performance indexes of the whole vehicle. The application of high performance motor controller and reasonable motor control strategy can guarantee the efficient and steady operation of the drive motor. In this paper, the TMS320F2812 DSP produced by Texas Instruments is used as the core processor of the motor controller. By comparing the advantages and disadvantages of various motor control strategies and their applicable range, this paper adopts the magnetic field oriented vector control strategy to control the drive motor.
Based on the mathematical model of PMSM in two-phase rotor coordinate system, the magnetic field oriented vector control strategy is deeply studied in this paper. Considering the iron loss and the copper loss power in the motor’s working processes, the efficiency model of the permanent magnet synchronous motor is put forward.
In order to verify the feasibility of vector control strategy, a simulation model of PMSM vector control system is established in the MATLAB/Simulink platform, and the functions and implementation methods of each module are discussed in detail.
The design process of the motor controller includes two aspects: the hardware system and the software system. In view of the hardware system, this paper designs the relevant motor controller, the control circuit and the auxiliary circuit of the inverter.
According to the development of the software system and based on the idea of using models to design the software systems, the motor controller algorithm program is designed by applying MATLAB’s Embedded Coder toolbox and CCS software, and through building the processor in the loop (PIL) simulation model to verify the accuracy of the software system.
In order to verify the feasibility of the vector control strategy used in the motor controller, based on the proposed simulation model of the permanent magnet synchronous motor (PMSM), the motor speed response characteristics of pure electric vehicles are studied. According to the drive motor efficiency model, the Advisor software is applied in this paper to study the motor working efficiency and vehicle battery capacity under the UDDS urban road cycles and HWFET road cycles.
Key Words:Pure electric vehicle; Motor controller; Vector control strategy; Simulation and analysis.
本文主要研究内容
通过对比各类驱动电机性能的优劣,本文选用永磁同步电机作为纯电动汽车的驱动电机,并且选用德州仪器(Texas Instruments,简称TI)公司所生产的TMS320F2812型DSP作为电机控制器的核心处理器开展研究工作。在建立永磁同步电机数学模型的基础上,本文提出使用矢量控制策略中的 控制方式对车用永磁同步电机驱动系统进行控制。基于矢量控制策略设计了电机控制器运行所必需的软件与硬件,并结合相关仿真结果以验证本文所采用的电机控制策略的可行性与正确性。本文中各章节的主要内容可概括如下:
第一章为绪论部分,主要介绍了本文的研究背景以及意义,对比了我国与国外电机控制器的发展现状,简单介绍了纯电动汽车各类驱动电机以及常见电机控制策略。通过综合对比与分析,本研究选取永磁同步电机作为车用驱动电机,并且采用矢量控制策略对其施加控制。
.第二章讨论分析了永磁同步电机在不同坐标系下的数学模型,根据合适的电机模型深入研究了永磁同步电机的矢量控制策略。在考虑电机在使用过程中的铁损以及铜损的情况下,第二章也提出了永磁同步电机的效率模型。
第三章主要结合MATLAB/Simulink平台,建立了永磁同步电机矢量控制仿真模型,对各模块的功能以及实现方法进行详细阐述。
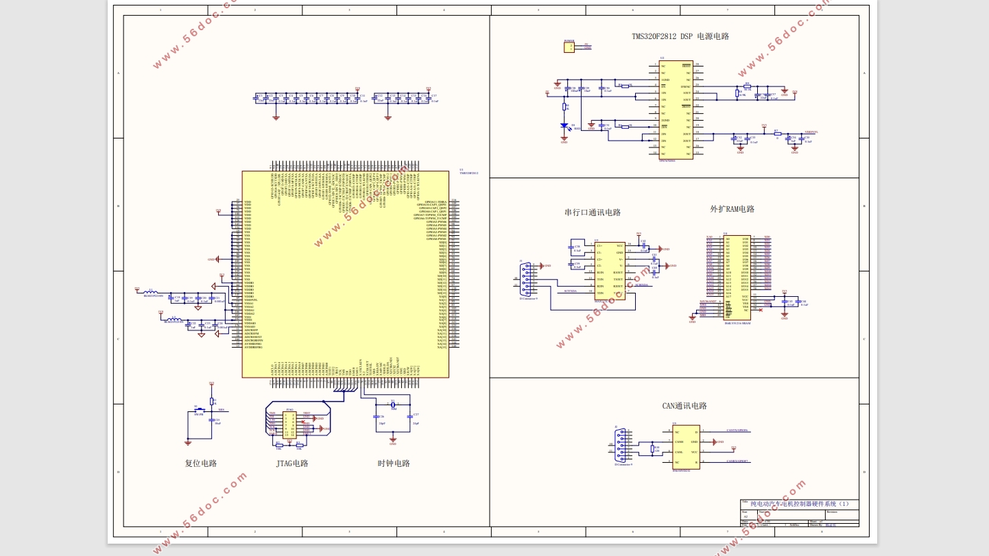
第四章介绍了电机控制系统主要硬件电路设计,包括TMS320F2812 DSP正常工作所需的外部电路以及逆变器相关辅助电路。
第五章基于模型设计软件系统的思想,应用MATLAB与TI公司共同研制的Embedded Coder工具箱进行电机控制器软件系统的开发。该章节详细阐述了软件系统的开发方法,并搭建处理器在环(PIL)仿真模型验证软件的可行性。
第六章首先基于已提出的永磁同步电机仿真模型,针对纯电动汽车相关典型工况进行仿真分析,证明控制策略的可行性。并且根据电机效率模型,在Advisor软件中,针对电机运行过程中的工作效率以及电池容量进行分析,证明控制策略的高效性。
第七章总结了本研究所取得的成果以及相关不完善的问题,并且对基于永磁同步电机控制器的控制策略发展与开发方法提出展望。



目 录
第1章 绪论 1
1.1 研究背景及意义 1
1.2 国内外纯电动汽车电机控制器发展现状 2
1.2.1 国外纯电动汽车电机控制器发展现状 2
1.2.2 国内纯电动汽车电机控制器发展现状 3
1.3 纯电动汽车各类驱动电机性能比较 3
1.4 永磁同步电机控制策略概述 4
1.5本文主要研究内容 5
第2章 永磁同步电机数学模型以及矢量控制策略 7
2.1永磁同步电机概述 7
2.1.1 永磁同步电机结构与分类 7
2.1.2永磁同步电机的运行原理 8
2.2永磁同步电机坐标变换 9
2.2.1 ClARK变换 10
2.2.2 PARK变换 10
2.3永磁同步电机数学模型 11
2.3.1永磁同步电机在ABC坐标系下的数学模型 11
2.3.2 永磁同步电机在dq坐标系下的数学模型 12
2.4永磁同步电机矢量控制策略 14
2.4.1矢量控制策略概述 14
2.4.2 永磁同步电机矢量控制系统组成 15
2.5空间矢量脉宽调制技术 17
2.6永磁同步电机效率模型 21
2.7本章小结 23
第3章 永磁同步电机矢量控制策略仿真模型 24
3.1 Matlab/Simulink软件概述 24
3.2永磁同步电机驱动系统Simulink模型 24
3.2.1永磁同步电机模块 24
3.2.2直流电源与逆变器模块 25
3.2.3电流检测模块以及转速位置检测模块 26
3.2.4 PI控制模块 27
3.2.5坐标变换模块 27
3.2.6空间矢量脉宽调制模块 28
3.3 纯电动汽车永磁同步电机控制系统模型 33
3.4 本章小结 34
第4章 纯电动汽车永磁同步电机控制器硬件设计 35
4.1 TMS320F2812型DSP芯片概述 35
4.2 永磁同步电机驱动系统控制电路 35
4.3纯电动汽车永磁同步电机驱动电路 41
4.4本章小结 44
第5章 纯电动汽车永磁同步电机控制器软件设计 45
5.1 CCS软件与Embedded Coder工具包概述 46
5.1.1 CCS软件概述 46
5.1.2 Embedded Coder工具包概述 46
5.1.3 C28X DMC模块库介绍 48
5.1.4 C28X IQmath模块库介绍 50
5.2 基于DSP的永磁同步电机矢量控制系统模型 50
5.3 基于电机矢量控制模型的DSP代码生成 53
5.4电机控制系统处理器在环仿真研究 54
5.5本章小结 57
第6章 纯电动汽车驱动电机仿真研究 58
6.1 电机转速响应仿真分析 58
6.1.1起动工况电机转速仿真分析 58
6.1.2加速工况电机转速仿真分析 59
6.2 电机效率仿真分析 60
6.2.1 Advisor软件概述 60
6.2.2 整车经济性分析 62
6.3 整车续航能力仿真分析 65
6.4 本章小结 67
第7章 总结与展望 68
7.1 总结 68
7.2 后续研究展望 68
参考文献 70
致谢 72
|