{$cfg_webname}
主页 > 机械机电 > 汽车 >

混合动力轻型客车万向传动装置三维设计(含CAD零件图,CATIA三维图)

来源:56doc.com  资料编号:5D27337 资料等级:★★★★★ %E8%B5%84%E6%96%99%E7%BC%96%E5%8F%B7%EF%BC%9A5D27337
资料以网页介绍的为准,下载后不会有水印.资料仅供学习参考之用. 帮助
资料介绍

混合动力轻型客车万向传动装置三维设计(含CAD零件图,CATIA三维图)(论文说明书7800字,CAD图6张,CATIA三维图)
摘  要
本文以混合动力轻型客车万向传动装置为研究对象,通过三维建模,装配设计和工作图绘制完成了本次课题的研究内容。
万向传动装置三维建模。采用CATIA软件进行万向传动装置的逆向设计。用激光扫描装置对零件进行扫描获得点云数据。以点云数据为基础,利用CATIA绘制出与点云数据相拟合的面,这就是三维建模的过程。在三维模型的基础上转化出二维工作图。根据各零件的设计要求进行标注。
关键词:万向传动装置  三维设计  万向节  传动轴
 
Three-dimensional design for Universal gear of Hybrid Light Bus
Abstract
    This paper study Hybrid Light Bus universal transmission. Three-dimensional modeling, assembly design and drawing work done research in this subject.
    Three-dimensional modeling for the universal gear. Using CATIA software to do the reverse design of universal gearing. With a laser scanning device to scan the part to get the point cloud data. Point cloud data, the use of CATIA and point cloud data plotted fit the face, which is three-dimensional modeling process. On the basis of three-dimensional model of the transformation of two-dimensional working drawing.
Then labeled according to the design requirements of the parts.
Key Words: Universal gear; Three-dimensional design; Universal joint; Transmission shaft
 

混合动力轻型客车万向传动装置三维设计(含CAD零件图,CATIA三维图)
混合动力轻型客车万向传动装置三维设计(含CAD零件图,CATIA三维图)
混合动力轻型客车万向传动装置三维设计(含CAD零件图,CATIA三维图)
混合动力轻型客车万向传动装置三维设计(含CAD零件图,CATIA三维图)
混合动力轻型客车万向传动装置三维设计(含CAD零件图,CATIA三维图)
混合动力轻型客车万向传动装置三维设计(含CAD零件图,CATIA三维图)
混合动力轻型客车万向传动装置三维设计(含CAD零件图,CATIA三维图)
混合动力轻型客车万向传动装置三维设计(含CAD零件图,CATIA三维图)
混合动力轻型客车万向传动装置三维设计(含CAD零件图,CATIA三维图)
混合动力轻型客车万向传动装置三维设计(含CAD零件图,CATIA三维图)


目  录
摘要…………………………………………………………………………………I
ABSTRACT………………………………………………………………………II
第一章 绪论………………………………………………………………………1
1.1 研究目的和意义……………………………………………………………1
1.2 国内外研究现状……………………………………………………………2
1.3 万向传动装置概述…………………………………………………………2
1.3.1 万向传动装置构造及工作过程……………………………………2
1.3.2 万向传动装置的分类………………………………………………3
1.4 主要设计工作………………………………………………………………3
第二章 基于CATIA的万向传动装置的三维建模………………………5
2.1 CATIA软件简介……………………………………………………………5
2.2 零件三维激光扫描示例……………………………………………………5
2.3 万向传动装置三维建模……………………………………………………9
2.3.1 凸缘总成……………………………………………………………9
2.3.2 传动轴1……………………………………………………………10
2.3.3 锁紧螺母 …………………………………………………………11
2.3.4 十字轴 ……………………………………………………………11
2.3.5 十字轴套筒 ………………………………………………………12
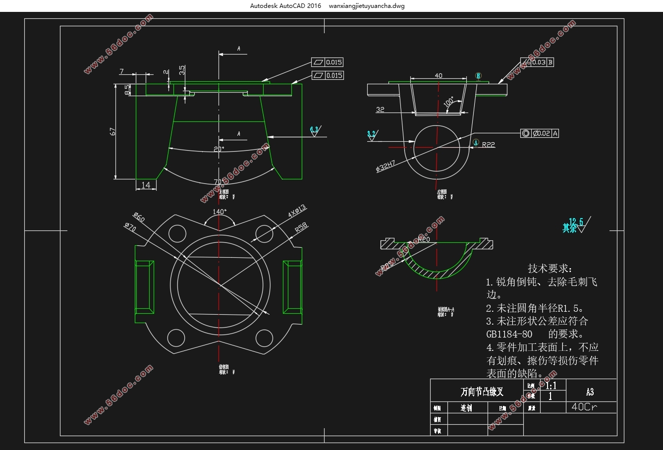
2.3.6 万向节凸缘叉 ……………………………………………………13
2.3.7 传动轴万向节凸缘叉 ……………………………………………14
2.3.8 防尘罩 ……………………………………………………………15
2.3.9 护套…………………………………..……………………………16
2.3.10 传动轴2……………………………………………….…………17
2.4 小结………………………………………………………………………18
第三章 万向传动装置的装配………………………………………………19
第四章 万向传动装置零件的二维图纸绘制……………………………21
4.1 二维图纸绘制……………………………………………………………21
4.2 小结………………………………………………………………………21
第五章 总结……………………………………………………………………22
参考文献………………………………...………………………………………23
致谢……………………………………...………………………………………25

推荐资料