{$cfg_webname}
主页 > 机械机电 > 工艺夹具 >

CA6140机床后托架的设计(含工艺卡,CAD零件装配图)

来源:56doc.com  资料编号:5D15759 资料等级:★★★★★ %E8%B5%84%E6%96%99%E7%BC%96%E5%8F%B7%EF%BC%9A5D15759
资料以网页介绍的为准,下载后不会有水印.资料仅供学习参考之用. 帮助
资料介绍

CA6140机床后托架的设计(含工艺卡,CAD零件装配图)(设计说明书7800字,CAD图7张,CAXA图纸7张,工艺卡)
摘  要
机械加工工艺是实现产品设计,保证产品质量,节约能源,降低消耗的重要手段。本课题研究CA6140车床后托架加工工艺规程。首先通过对零件图的分析,了解工件的结构形式,明确了具体的技术要求,从而对工件各组成表面选择合适的加工方法。再拟订较为合理的工艺规程,充分体现质量、生产率和经济性的统一。
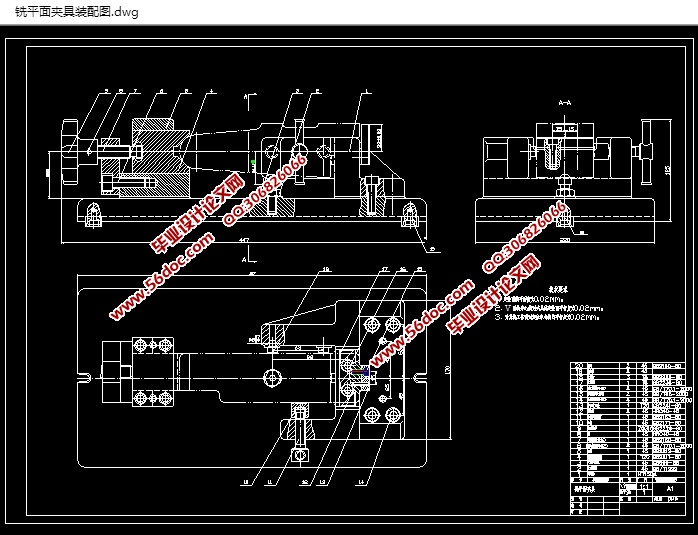
机床夹具设计是工艺装备设计中的一个重要组成部分,在整个机械加工过程中,夹具除了夹紧、固定被加工零件外,还要求保证加工零件的位置精度、提高加工生产率。
本课题在设计的过程当中,深入生产实际,进行调查研究,吸取国内外先进技术,制定出合理的设计方案,在进行具体设计。
关键词  产品设计,后托架,加工工艺,夹具

零件的分析:
(一)计算生产纲领,确定生产类型:
     零件图上为CA6140车床上的后托架,生产量为2000件,该产品属于轻型机械,根据表1-3生产类型与生产纲领等的关系,可确定其生产类型为中批生产。
(二)零件的作用:
        后托架在CA6140车床床身的尾部,三个孔分别装丝杠、光杠、转向开关,起加强固定作用;在ø40mm与ø30.2mm之间的孔为毛线孔,用于导通油路;旁路的螺纹孔是连接油盖的;正面的四个孔将后托架固定于车床尾部。
 

CA6140机床后托架的设计(含工艺卡,CAD零件装配图)
CA6140机床后托架的设计(含工艺卡,CAD零件装配图)
CA6140机床后托架的设计(含工艺卡,CAD零件装配图)
CA6140机床后托架的设计(含工艺卡,CAD零件装配图)
CA6140机床后托架的设计(含工艺卡,CAD零件装配图)


目      录
摘要:..1
ABSTRACT:.2
一、零件的分析:    3
(一)确定生产类型:    4
(二)零件的作用:    4
(三)零件的工艺分析:    4
二、工艺规程的设计:    5
(一)确定毛坯的制造形式:    5
(二)基准的选择    5
(三) 制订工艺路线:    6
(四)机械加工余量、工序尺寸及毛坯尺寸的确定:    8
(五)确定切削用量及基本工时 :    9
三、夹具设计:    23
(一)铣平面夹具设计:    23
(二)钻地面孔夹具设计:    26
四、总结:    28
 

推荐资料