小功率机械无级变速器结构设计(含CAD零件图装配图)
来源:56doc.com 资料编号:5D19500 资料等级:★★★★★ %E8%B5%84%E6%96%99%E7%BC%96%E5%8F%B7%EF%BC%9A5D19500
资料以网页介绍的为准,下载后不会有水印.资料仅供学习参考之用. 密 保 惠 帮助
资料介绍
小功率机械无级变速器结构设计(含CAD零件图装配图)(任务书,外文翻译,论文说明书11000字,CAD图纸6张)
摘要:机械无级变速器是一种能适应工艺要求多变、工艺流程机械化和自动化发展以及改善机械工作性能的一种通用传动装置。本文简要介绍了摩擦式机械无级变速器的基本结构、设计计算的方法、材质及润滑等方面的知识,并以此作为本次无级变速器设计的理论基础。
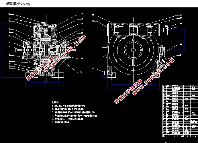
本设计采用的是以钢球锥轮作为中间传动元件,通过改变钢球的工作半径来实现输出轴转速连续变化的钢球锥轮式无级变速器。本文分析了在传动过程中变速器的主、从动轮,钢球和外环的工作原理和受力关系;详细推导了实用的钢球锥轮式无级变速器设计的计算公式;并针对设计所选择的参数进行了具体的设计计算;绘制了所计算的钢球锥轮式无级变速器的装配图和主要传动元件的零件图,将此变速器的结构和工艺等方面的要求表达得更为清楚。
这种无级变速器有良好的结构和性能优势,具有很强的实用价值,完全可以作为批量生产的无级变速器。其主要特点是:1.变速范围较宽;2.恒功率特性好;3.可以升、降速,正、反转。4.运转平稳,抗冲击能力较强;5.输出功率较大;6.使用寿命长;7.调速简单,工作可靠;8.容易维修。
关键词:无级变速器,摩擦式,钢球锥轮式,设计。
毕业设计类容:小功率机械无级变速器结构的设计;比较和选择合适的方案,
无级变速器变速器的结构设计与计算;对关键部件进行强度和寿命校核
设计要求:输入功率P=1.1kw,输入转速n=1500 r/min,调速范围
结构设计时应使制造成本尽可能低;安装拆卸要方便;外观要匀称,美观;调速要灵活,调速过程中不能出现卡死现象,能实现动态无级调速;关键部件满足强度和寿命要求;画零件图和装配图。
电机的选择:经计算可知选择Y905——4型电机最匹配
该方案是小功率机械无级变速器结构设计,机械无级变速器是一种能适应工艺要求多变、工艺流程机械化和自动化发展以及改善机械工作性能的一种通用传动装置。本文简要介绍了摩擦式机械无级变速器的基本结构、设计计算的方法、材质及润滑等方面的知识,并以此作为本次无级变速器设计的理论基础。
本设计采用的是以钢球锥轮作为中间传动元件,通过改变钢球的工作半径来实现输出轴转速连续变化的钢球锥轮式无级变速器。本文分析了在传动过程中变器的主、从动轮,钢球和外环的工作原理和受力关系;详细推导了实用的钢球锥轮式无级变速器设计的计算公式;并针对设计所选择的参数进行了具体的设计计算;绘制了所计算的钢球锥轮式无级变速器的装配图和主要传动元件的零件图,将此变速器的结构和工艺等方面的要求表达得更为清楚。
这种无级变速器有良好的结构和性能优势,具有很强的实用价值,完全可以作为批量生产的无级变速器。其主要特点是:1.变速范围较宽;2.恒功率特性好;3.可以升、降速,正、反转。4.运转平稳,抗冲击能力较强;5.输出功率较大;6.使用寿命长;7.调速简单,工作可靠;8.容易维修。


目 录
摘要 ………………………………………………………………………………………Ⅱ
Abstract……………………………………………………………………………………Ⅲ
第一章 绪论 ………………………………………………………………………………1
1.1 机械无级变速器的发展概况 …………………………………………………1
1.2 机械无级变速器的特征和应用 ………………………………………………2
1.3 无级变速器的研究现状 ………………………………………………………3
1.4 毕业设计内容和要求 …………………………………………………………3
第二章 无级变速总体方案 …………………………………………………………5
2.1 钢球长锥式(RC型)无级变速器 ……………………………………………5
2.2 钢球外锥式无级变速器 ………………………………………………………5
2.3 两类型的比较与选择 ………………………………………………………… 7
第三章 钢球外锥式无级变速器部分零件的设计与计算 ……………………9
3.1 钢球与主、从动锥轮的计算与设计 …………………………………………9
3.2 加压盘的设计与计算 …………………………………………………………10
3.3 调速齿轮上的变速曲线槽的设计与计算 ……………………………………12
3.4 输入轴的设计与计算 …………………………………………………………13
3.5 端盖的设计与计算 ……………………………………………………………15
3.6 调速机构的设计与计算 ………………………………………………………16
第四章 主要零件的校核 ……………………………………………………………18
4.1 输出、输入轴的校核 …………………………………………………………18
4.2 轴承的校核 ……………………………………………………………………20
4.3 键的校核 ………………………………………………………………………21
第五章 无极变速器的装配……………………………………………………………24
毕业设计总结 ……………………………………………………………………………25
致谢 ……………………………………………………………………………………… 26
参考文献……………………………………………………………………………………27
附录 翻译译文及原文……………………………………………………………… 28
|