圆塔式智能立体单车自行车车库结构设计(含CAD图,SolidWorks三维图)(任务书,开题报告,论文说明书12000字,CAD图6张,SolidWorks三维图)
摘要
中国是自行车大国,近年来随着共享单车的发展,使得自行车停放问题成为困扰城市管理的严重问题。
本文设计了一种圆塔式立体单车库结构,通过采用立体化停车的方式,提高停车效率,减少自行车停放时的占地面积,并有效地对自行车进行集中管理,解决城市自行车停放难题。
并对驱动轴的受力情况进行有限元分析,验证其可靠性。
关键词:单车库;有限元分析;自行车停放
Abstract
There are a large number of bicycles in China. In recent years, with the development of shared bicycles, the issue of bicycle parking has become a serious problem that has plagued urban management. This article through the solidworks software, designed a smart bicycle parking structure of the three-dimensional model, through smart and three-dimensional parking, improve parking efficiency, reduce the parking space when the bicycle, and effectively manage the bicycle, to solve City bike parking puzzle.
Thispaper mainly studies the structure of the round tower type three-dimensional bicycle parking, and carries out the finite element analysis on the stress of key components to verify its reliability.
The research results show that the structure design of the round tower intelligent three-dimensional bicycle parking is reasonable, and it can effectively improve the bicycle parking efficiency and reduce the bicycle parking area, and can solve urban parking problems to some extent.
The characteristics of this article: The use of solidworks to establish a three-dimensional model of a round tower smart three-dimensional bicycle parking, and the key components of the finite element analysis, the structure is reasonable and complete.
Key Words:bicycle parking;finite element analysis;the parking of bicycle
单车库的整体方案
综合总功能和毕业设计的要求,首先确定总体布局,由于停车库是圆塔式的,可以将自行车抓取和升降的部分布置在圆塔中心,自行车停车位分布在圆塔圆周的钢结构上。圆塔中心的抓取和升降部分可以旋转。
我们可以将子子系统分为:
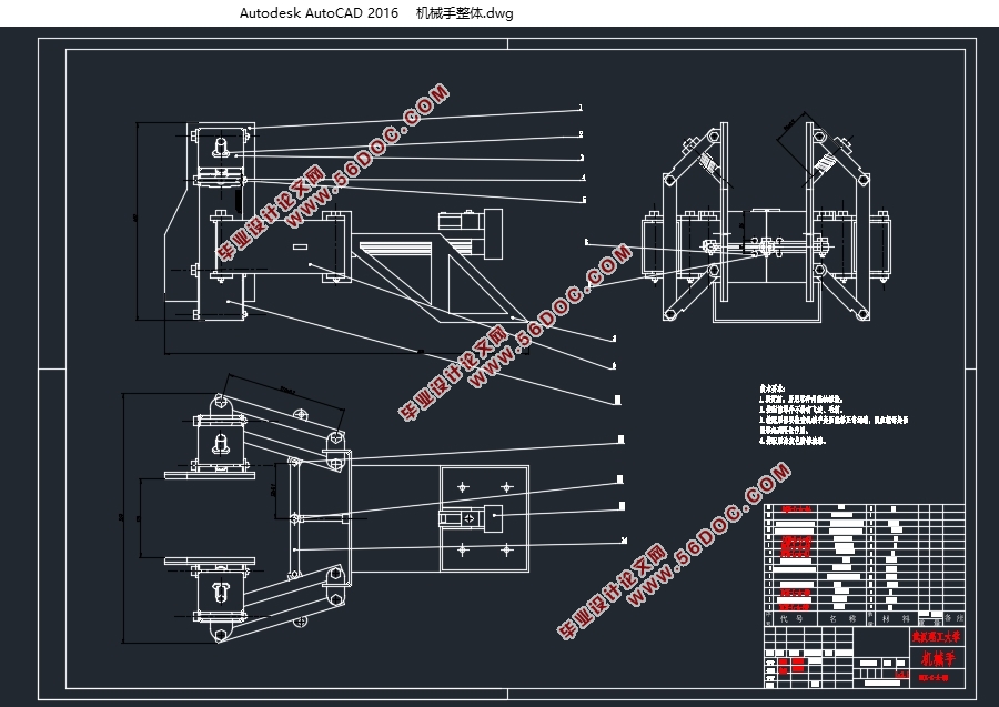
1. 机械手推拉子系统
该子系统有一个机械手抓住自行车车轮,可以将自行车固定,保证自行车不会倾倒,提供的摩擦力可以以一定的加速度推拉自行车。机械手安装在一条导轨上,可以在电机的驱动下在导轨上前后滑动,完成推和拉的动作。该子系统主要完成将自行车从固定位置抓入车库的工作。
2. 升降子系统
机械手推拉子系统通过导轨安装在升降子系统上,升降子系统负责将自行车提升或下降到某一指定位置,来完成存车或者取车过程。同时升降子系统也起到固定和支撑作用,在圆塔中心,连接棚顶和地面。
3. 旋转子系统
旋转子系统应该布置在升降子系统底部,地面之上,负责将升降子系统旋转一定的角度,使机械手推拉子系统对准某一特定的车位,完成自行车推或拉的动作。
4.自行车托架子系统
自行车需要存放在指定位置,该车库是立体的,自行车必须分层停放在不同的高度,自行车托架子系统可以安装在建筑物上,固定和存放自行车。该子系统要求自行车由机械手推入后,自行车保持直立状态不能倾覆,位置固定不能发生滑动。
5.钢结构部分
该智能单车库的主体结构采用钢结构。因为相对与混凝土等其他结构而言,钢结构具有良好的延展性,抗震性能好,城市建筑的建设有一定的抗震性能要求;钢结构建筑建设过程比较灵活,钢结构构建一般可以在工厂中制造,施工现场比较整洁,主要完成切割和焊接工作;钢结构可以设计成大跨度,对于设计工作而言,灵活性更大;除此之外,钢结构还有自重低、成本低等特点[2]。







目录
摘要 I
ABSTRACT II
目录 III
第1章绪论 1
1.1课题研究的背景 1
1.3 国内外研究现状 2
1.4课题研究内容 4
第2章圆塔式智能单车库机械系统设计 5
2.1单车库设计要求 5
2.2单车库功能分析及方案确定 6
2.2.1单车库功能分析 6
2.2.2单车库的整体方案 7
2.3各子系统方案确定 9
2.3.1机械手推拉子系统 9
2.3.2升降子系统 12
2.3.3旋转子系统 13
2.3.5外部钢架结构 14
2.3.4自行车托架子系统 15
第3章电机选型及关键零部件设计及有限元分析 18
3.1机械手推拉子系统电机选型 18
3.2旋转子系统电机选型 19
3.3机械手车轮夹板设计 21
3.4推拉部分 21
3.5驱动轴的有限元分析 24
第4章总结与展望 27
4.1总结 27
4.2 展望 27
参考文献 28
致谢 30
|