{$cfg_webname}
主页 > 机械机电 > 机械 >

新型洗浴器设计(含CAD图)

来源:56doc.com  资料编号:5D28023 资料等级:★★★★★ %E8%B5%84%E6%96%99%E7%BC%96%E5%8F%B7%EF%BC%9A5D28023
资料以网页介绍的为准,下载后不会有水印.资料仅供学习参考之用. 帮助
资料介绍

新型洗浴器设计(含CAD图)(论文说明书10000字,CAD图3张)
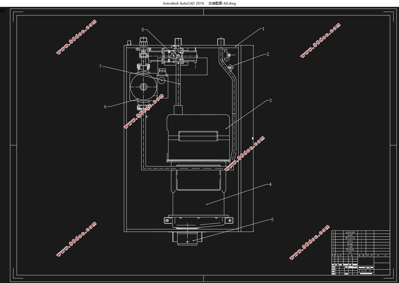
整体方案
电热水器的主要作用就是提供热水,为人们使用热水得到便利。电热水器的出现,使得人们获取热水更加快捷,方便且健康。所以现在使用电热水器的场景越来越多。但是从目前市场上的各种品牌和各种类型的电热水器来看,目前的电热水器都存在着水不能沸腾且冷热水混流,也就是人们所谓的“阴阳水”的问题。对于比较原始的电热水器来说,通常人们往电热水器中加注冷水,是靠一个浮球阀来对加注冷水的阀门进行控制。这种控制方式一度在马桶的水箱中比较盛行。当箱内的水流出后冷水就会自动进入箱内,冷热水混流形成“阴阳水”。本设计为了对旧产品的缺点进行改进,本文的设计会在保留原产品的基础上,加入了水位的检测及自动注水控制,沸腾后自动断电等电路,解决了传统产品的缺点。此外,还对系统的硬件和软件采取抗干扰措施,以保障系统的稳定运行。
 

新型洗浴器设计(含CAD图)
新型洗浴器设计(含CAD图)
新型洗浴器设计(含CAD图)
新型洗浴器设计(含CAD图)
新型洗浴器设计(含CAD图)


目 录
摘 要    I
ABSTRACT    II
第一章 绪 论    1
1.1引言    1
1.2国内外研究现状    1
第二章 总体方案设计    3
2.1 整体方案    3
2.5本文具体任务与要求    4
3.1 安装支架设计    6
3.2 安装支架机构设计    10
3.3 电热水器构齿轮传动设计    11
第四章 结构设计    17
4.1 行车主体设计    17
4.2 清扫刷设计    17
4.3 履带结构设计    18
4.4 配气盘结构设计    21
5  机械结构的设计    22
5.1电磁阀的工作原理    22
5.2电磁阀的分类    22
5.3整体结构方案设计    24
5.4电磁换向阀的设计    25
5.5单向阀的设计    28
5.6密封装置的设计    29

推荐资料