{$cfg_webname}
主页 > 机械机电 > 模具 >

家用水瓢注射模模具设计(含CAD零件图装配图)

来源:56doc.com  资料编号:5D13586 资料等级:★★★★★ %E8%B5%84%E6%96%99%E7%BC%96%E5%8F%B7%EF%BC%9A5D13586
资料以网页介绍的为准,下载后不会有水印.资料仅供学习参考之用. 帮助
资料介绍

家用水瓢注射模模具设计(含CAD零件图装配图)(文献综述,设计说明书11000字,CAD图5张,实习报告)
摘  要
这次注射模设计的是家用水瓢。设计前要对塑件有一个清楚的认识,了解它生产要求,校核成型工艺性,确定注射机及其参数。设计模具结构时:考虑选好型腔的个数,选定合理的分型面,确定型芯与型腔的尺寸、结构、位置,采选恰当的浇注系统与脱模方式,校核有关的技术参数和搞定排气机构。最后用CAD画出零件图,装配图等。在设计模具结构时,要根据实际情况的变化而做出最恰当的选择。比如在浇口的设计时,更适合用直接浇口,就不能使用点浇口。制件的外观也很重要,外观不好会在客户心中留下一个差的印象。不影响质量安全的前提下,外观尽量做到极致的美观。身处工业时代,模具是工业发展与前进的重要基石。设计更便宜,更实用,更先进的注射模就能在工业发展中帮助祖国前进一步。

关键词:注射模 ; CAD; 模具结构 

ABSTRACT
The injection mold design is home bailer. To pre-designed plastic parts have a clear understanding it, production requirements, checking molding process of determining the injection machine and its parameters. When the mold structure design: Considering the number of selected cavity selected reasonable parting surfaces, core and cavity to determine the size, structure, location, mining proper gating system and release mode, checking the relevant technical parameters and get the exhaust mechanism. Finally, draw CAD parts and assembly drawings and so on. In the design of the mold structure when, according to the actual situations change and make the most appropriate choice. For example, when the gate design, more suitable for direct gate, you can not use point gate. Article's appearance is also very important, the appearance of a difference will leave a bad impression in the minds of customers. Without affecting the quality and safety of the premise, as far as possible the appearance of extreme beauty. Language of the industrial age, the mold is an important cornerstone of industrial development and progress. Design cheaper, more practical and more advanced injection mold before the country will be able to assist further in industrial development.
Key words:Injection mold; CAD Mold; structure

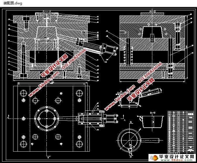
水瓢是生活中普遍的盛水器皿,组成材质一般是聚酰胺,又称为尼龙。它在生活每天都要使用,方便了人们的生产生活。对水瓢进行注射模的设计,希望能够设计出更便宜、更耐用和更好用的水瓢。它的结构不算是特别复杂,成型这个塑料制件的模具是一个具有侧抽芯的典型注射模模具。仔细研究零件图,发现它的主体是个圆台形状的桶,壁厚为2mm,锥度是7度。还有一个空心手把,手把中心线与主体中心线呈105度角。长为138.22mm。设计一副注射模有许许多多的问题要考虑。如模具成型零部件的结构,制品的公差要求、位置精度、尺寸要求等等,模具上零件能不能合理工作,成型后制件有没有缺陷等。此制件的侧抽芯过长,导致其开模行程过长,因此使用液压抽侧型芯。因为模具主体是圆桶形状,所以卸料方式采用卸料板。
 

家用水瓢注射模模具设计(含CAD零件图装配图)
家用水瓢注射模模具设计(含CAD零件图装配图)
家用水瓢注射模模具设计(含CAD零件图装配图)
家用水瓢注射模模具设计(含CAD零件图装配图)


目    录
摘  要    I
ABSTRACT    II
绪论    1
1.  制件的成型工艺性能    2
1.1  塑件成型工艺    2
1.2  此塑料的成型性能    2
1.3  材料标准    3
2  成型零部件的设计    4
2.1  计算成型零部件的工作尺寸    4
2.2  计成型零部件的结构    8
2.2.1型腔    8
2.2.2  型芯    9
3  选择分型面及浇口类型    10
3.1  分型面    10
3.1.1  分型面的形式    10
3.1.2  分型面的设计原则    10
3.2  浇口    10
4  选择注射机的型号    11
4.1  塑件注射量:    11
4.2  注射机的有关工艺参数校核    11
4.3  注射机接触模具部分和模具安装的设计    13
4.3.1  喷嘴尺寸:    13
4.3.2  定位圈    13
4.3.3  最大、最小模厚    13
4.3.4  安装螺纹    13
5  设计浇注系统    15
5.1  主流道    15
5.2  浇口位置    16
5.2.1  选择原则:    16
5.2.2  故浇口位置如下图所示:    17
图5-2    17
5.2.3  冷料穴    17
5.3  设计排气结构    17
6  分析计算合模力    19
7  设计推出与复位机构    20
7.1推出机构    20
7.1.1推出机构的设计原则:    20
7.1.2  塑件顶出距离确定    20
7.2  复位机构    21
8  合模导向机构的设计    22
8.1  导柱设计    22
8.1.1  导柱结构形状    22
8.1.2  导柱结构的技术要求    22
8.2  导向孔的设计    22
8.2.1  结构形式    23
8.2.2  导套结构和技术要求    23
9  侧向分型与抽芯机构的设计    24
10  模具零件的材料及热处理    25
11  温度调节系统的设计    26
11.1模具温度与塑件成型温度的关系    26
11.2  冷却系统的设计    26
11.2.1  冷却系统设置的基本原则:    26
11.2.2  冷却回路设计    26
11.2.3  冷却回路计算    26
11.3  模具的加热系统    28

推荐资料