{$cfg_webname}
主页 > 机械机电 > 模具 >

灯具注塑模具的设计(含CAD零件装配图)

来源:56doc.com  资料编号:5D13941 资料等级:★★★★★ %E8%B5%84%E6%96%99%E7%BC%96%E5%8F%B7%EF%BC%9A5D13941
资料以网页介绍的为准,下载后不会有水印.资料仅供学习参考之用. 帮助
资料介绍

灯具注塑模具的设计(含CAD零件装配图)(任务书,设计说明书10500字,CAD图纸5张)
摘要
在世界范围内,机械制造业的竞争变得越来越白热化。企业低能耗、高效率的为顾客提供个了性化、高质量产品的能力,已经变成了企业竞争能力最重要的标志。在被称为“工业之父”的模具领域中,模具的质量,直接影响到产品的成本、质量、产量等重要因素。因此经济环境变相的决定了产品的质量。塑料模具也随着塑料工业的发展也以飞快的速度发展起来。近些年来,现在的人们对各种各样的用品和设备手感和美观的要求也逐渐变高,这就为塑料工业拓展了更大的市场。在当今,塑料产品想要发展,那必须要求塑料模具的改善。如果要想改善当今的塑料塑料产品的生产质量,那么在模具中,无疑是注射模具的发展成为最先进的代表,同时在塑料模具中占据着主导地位。
本次的设计是一个灯座的塑料产品的注射模具。该产品应用广泛,通常在学校、公司、商店等公共场所以及家庭等小型场所均能看到。就是因为有这么广泛的应用,所以我们才要加速并且高效的生产出更多产品。从而,推出浇注与机构系统和注射模具其余结构的设计过程。
关键词: 灯座; 模具;注射模具

Abstract
    In the world, the competition for machinery manufacturing is becoming hotter and hotter.Enterprise low energy consumption, high efficiency for customers with the ability to provide a high quality product, has become the most important symbol of the enterprise's competitiveness. In the mold field known as the father of the industry, the quality of the mold directly affects the cost, quality and output of the product. Therefore, the economic environment in disguise determines the quality of the product. Plastic mold with the development of the plastics industry is also developed at a rapid pace. In recent years, people now have a higher demand for the feel and beauty of the various items and equipment, which has expanded the market for the plastics industry.. In today's plastic products want to develop, it must be required to improve the plastic mold. Plastic mold, undoubtedly the development of injection mold become the most advanced representatives, in the plastic mold occupy a dominant position. The design of the injection mould is a lamp holder of plastic products..Thus, the design process of the injection mould and the rest structure of the injection mould is introduced.
Keywords:  lampholders;  mould;  injection mould
 

灯具注射模具的设计(含CAD零件装配图)
灯具注射模具的设计(含CAD零件装配图)
灯具注射模具的设计(含CAD零件装配图)
灯具注射模具的设计(含CAD零件装配图)


目 录
    绪 论……………………………………………………………………1
第一章 课题介绍………………………………………………………2
第二章 塑件的工艺性分析……………………………………………3
2.1 塑件的原材料分析………………………………………………3
2.2 塑件的尺寸精度分析……………………………………………3
2.3 塑件表面质量分析………………………………………………4
2.4 塑件的结构工艺性分析…………………………………………4
第三章 确定成型设备选择与模塑工艺规程编制……………………5
    3.1 计算塑件的体积…………………………………………………5
    3.2 计算塑件的质量…………………………………………………5
    3.3 塑件模塑成型工艺参数的确定…………………………………5
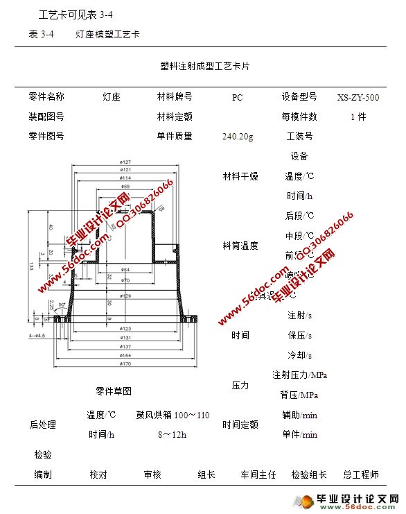
    3.4 填写模塑成型工艺卡……………………………………………6
第四章 注射模的结构设计……………………………………………7
    4.1 分型面的选择……………………………………………………7
    4.2 型腔数目的确定及型腔的排列…………………………………7
    4.3 浇注系统的设计…………………………………………………8
    4.4 型腔、型芯结构的确定…………………………………………9
    4.5 推件方式的选择…………………………………………………9
    4.6 侧抽芯机构的设计…………………………………………10 
4.7 标准模架的选择…………………………………………………10
第五章 注射模设计的尺寸计算……………………………………15
5.1 成型零件尺寸计算……………………………………………15
5.2 确定抽芯机构零件尺寸计算…………………………………17
5.3 注射模具零件设计……………………………………………17
    第六章 注射机有关参数的校核……………………………………32
    6.1 模具闭合高度的确定和校核…………………………………32
    6.2 模具安装部分校核……………………………………………32
    6.3 模具开模行程校核……………………………………………32
第七章 注射模主要零件加工工艺规程的编制……………………33
    7.1 型腔板的加工工艺过程………………………………………33
    7.2 型芯的加工工艺过程…………………………………………34
总 结…………………………………………………………………35
参考文献 ……………………………………………………………36
致 谢…………………………………………………………………37

推荐资料