{$cfg_webname}
主页 > 机械机电 > 模具 >

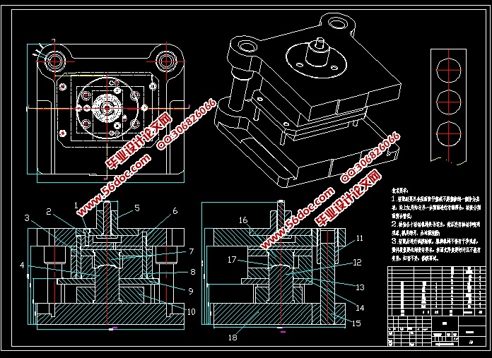
带凸缘旋转体冲压模具设计(含CAD零件装配图,UG三维图)

来源:56doc.com  资料编号:5D16334 资料等级:★★★★★ %E8%B5%84%E6%96%99%E7%BC%96%E5%8F%B7%EF%BC%9A5D16334
资料以网页介绍的为准,下载后不会有水印.资料仅供学习参考之用. 帮助
资料介绍

带凸缘旋转体冲压模具设计(含CAD零件装配图,UG三维图)(任务书,论文说明书17000字,CAD图纸11张,UG三维图)       
摘  要
首先对冲压件进行分析,分析该零件的尺寸精度得出用一般精度的模具即可满足零件精度的要求,再根据零件的形状、尺寸标注及生产批量等情况,选择落料拉伸的方案。在本次设计拉伸落料复合模中,仅要考虑使做出的零件能满足使用要求,还要保证模具的使用寿命。该冲裁模具还详细地叙述了模具成型零件包括上模架、凹模、凸模、凸模固定板、凸凹模固定板、上模架、下模架、卸料板、模柄等的设计,重要零件的工艺参数的选择与计算,推出机构以及其它结构的设计过程,其中里面也包括了:工艺分析,工艺方案的确定,计算毛坯尺寸,画排样图,计算冲压力,压力机的选择,计算压力中心,凸凹模刃口尺寸的计算,校核冲裁模工作部分,工艺计算冲裁件的毛坯尺寸计算,凸模与凹模的圆角半径,冲裁模中的凸凹模间隙凸、凹模工作尺寸,冲压设备的选择,模具的总体结构,主要零部件的设计及选择,模具制造装配要点等。

关键词:模具设计;拉伸;落料;

 课题的主要特点及意义
零件冲压工艺规程是模具设计的依据,而良好的模具结构设计又是实现工艺过程的可靠保证,若冲压工艺有所改动,往往会造成模具的返工,甚至报废,冲裁同样的零件,通常可以采用几种不同方法,工艺过程设计的中心就是依据技术上先进,经济上合理,生产上高效,使用上安全可靠的原则,使用上安全可靠的原则,使零件的生产在保证符合零件的各项技术要求的前提下达到最佳的技术效果和经济效益。本课题旨在针对具体的零件,分析、选择冲压工艺方案,并结合三维设计软件得到最终模具设计流程以及三维图。

 冲压工艺分析与计算
2.1 冲裁件及其技术要求
 
名称:带凸缘旋转体
材料:Q235A
料厚:1mm
批量:大批量
 
2.2 零件结构工艺分析
该零件形状简单、对称,由圆弧和直线组成。材料为牌号10,t=1mm的碳素结构钢,具有良好的冲压性能,适合冲裁。零件内部有一个Φ3mm的孔和一个切口,外形四角有圆角2-R8mm 0,由表2-1和表2-2查出,外形与内孔尺寸公差为IT11,。查表2-3和表2-4,冲裁件最小圆角半径为R0.25mm,拉伸最小尺寸为Φ0.35mm,通过上述精度水平与零件图中所标注的尺寸公差相比,该零件的精度要求能够在普通冲裁加工中得到保证。另外尺寸标注、生产批量等情况,均符合冲裁的工艺要求。由于此带凸缘旋转体既有拉伸,又有落料两个工序,所以可以采用拉伸落料复合冲裁模进行加工,而且一次冲压成形。
 

带凸缘旋转体冲压模具设计(含CAD零件装配图,UG三维图
带凸缘旋转体冲压模具设计(含CAD零件装配图,UG三维图
带凸缘旋转体冲压模具设计(含CAD零件装配图,UG三维图
带凸缘旋转体冲压模具设计(含CAD零件装配图,UG三维图


目  录
目  录    4
前言    1
第一章 绪论    2
1.1 概述    2
1.2 冲压技术的进步    2
1.3 模具的发展与现状    3
1.4 模具CAD/CAE/CAM技术    4
1.5 课题的主要特点及意义    5
第二章 冲压工艺分析与计算    6
2.1 冲裁件及其技术要求    6
2.2 零件结构工艺分析    7
2.3 冲裁件的排样    9
2.3.1排样方法的确定    9
2.3.2搭边值的确定    9
2.3.3排样方案的选择    10
2.3.4确定条料步距和宽度    11
2.3.5计算条料利用率    12
2.3.6画出排样图    12
2.4 工艺方案的选择    13
2.4.1工艺方案种类    13
2.4.2方案的比较    13
2.4.3方案的确定    13
2.5 填写工艺文件    13
第三章 模具方案设计与计算    14
3.1模具方案设计    14
3.2 模具刃口尺寸计算    14
3.2.1拉伸Φ3mm    14
3.2.2外轮廓的落料    16
3.2.3其它尺寸的计算    17
3.3冲压力计算    19
3.3.1拉伸切口力F1    19
3.3.2落料力F2    19
3.3.3卸料力FX    19
3.3.4推件力FT    20
3.3.5总压力FZ    20
3.4初选冲压设备    22
3.5确定模具的压力中心    22
3.6凸模结构设计    24
3.6.1拉伸凸模设计    24
3.6.2切口刀设计    25
3.9定位零件结构设计    26
3.9.1导料零件设计    26
3.9.2挡料零件设计    26
3.10卸料机构设计    27
3.11推件机构设计    28
3.12模架及组成零件的选用    28
3.12.1模架的选用    28
3.12.2模座的设计选用    29
3.12.3导向零件的设计    30
3.13其它零部件设计    31
3.13.1模柄的选用    31
3.13.2垫板的设计    32
3.13.3固定板的设计    32
3.13.4螺钉、销钉的选用    33
3.13.5弹性元件的选用    33
3.13.6卸料板的设计    35
3.13.7推件块的设计    35
第四章 模具的结构与原理    37
4.1模具各零件名称及材料    37
4.2模具结构介绍    37
4.3模具工作原理    37
第五章 模具的装配    38
5.1冷冲模装配的技术要求    38
5.2 冲模装配的工艺要点    40
5.3 冲模装配顺序的确定    41
5.3.1组件装配    41
5.3.2下模装配    41
5.3.3上模装配    41
5.3.4其他零部件组装    42
5.4 冲模的调试    43
第六章 模具零件加工工艺    44
6.1工作零件的制造工艺    45
第七章 结论    46
参考文献    47
致谢    48

推荐资料