基于PLC工业污水处理控制系统硬件设计(附CAD电路图控制图)(任务书,开题报告,外文翻译,论文说明书19000字,CAD电路图,CAD控制图)
摘 要
目前,我国大多数污水处理控制系统自动化水平不高、安全性低、管理不当,效率普遍低于世界标准。污水处理系统中的曝气过程控制、数据通讯和监控管理是急需解决的主要问题。我国对于工业污水处理系统比较落后,处理污水成本较高,污水厂处理的水质太低,我们必须加快建立高效的自动控制系统,减少成本,优化效果,对于我国法阵具有重要意义。
本文介绍了工业污水处理的基本控制系统和流程,并通过研究设计一套基于PLC的工业污水处理控制系统硬件设计。文章首先介绍了基于PLC污水处理控制系统的传统方法及相关流程,控制系统硬件结构选型、工作原理以及设计PLC控制系统的主要方案,以此来阐述说明PLC在污水处理过程中的应用。先根据污水处理要求设计了设备的电气控制与自动控制线路,主要包括设备的启停、状态信号故障信号和信号采集等,最后按照控制要求设计PLC控制系统,其中包括PLC的选型、系统资源配置以及按照自动控制系统进行调试。有效的结合目前最新的控制系统、计量自控检测仪表使用、PLC控制系统技术,将为当前工业污水处理控制系统提供有效的自控方法。
关键词:污水处理,PLC,控制系统
The hardware design of the control system of sewage treatment based on PLC industry
Abstract
At present, the majority of sewage treatment control system automation level is not high, low security, mismanagement, efficiency is generally lower than the world standard. Aeration process control in the wastewater treatment system, data communication and management is a main problem needed to resolve. Sewage treatment automatic control system is relatively backward in China, sewage treatment cost remains high, sewage plant emissions of treated sewage water quality is not stable, so how to establish an effective control system, optimal operation effect, reduce the operation cost, is of great significance.
Factory wastewater treatment were introduced in this paper the basic process and process, and through the study design a set of sewage treatment system based on PLC control. This paper introduces the sewage treatment control system based on PLC technology and related processes, control system hardware structure and design, working principle and basic principles and steps of design of PLC control system, illustrates the application of PLC in sewage treatment process. First requirement is designed according to the sewage treatment equipment of electric control and automatic control circuit, including equipment start-stop, state signal fault signal, and the signal acquisition, etc., according to requirement of process design the PLC control system, including PLC type selection, system resource allocation and the PLC program according to the sewage treatment process.
Key words: sewage disposal, PLC, process flow



目录
摘 要 I
Abstract II
第一章 绪论 1
1.1 工业污水处理的国内外现状 1
1.2 研究目的和意义 2
1.3 课题主要的设计内容和方案 2
第二章 工业污水处理控制系统总体介绍 4
2.1 工业污水处理基本概念 4
2.2 常用的工业污水处理控制系统 4
2.3 工业污水处理控制系统形式 7
2.4 工业污水处理系统的功能要求 8
2.4.1 信号输入 8
2.4.2 控制输出信号 8
第三章 硬件选型及配置 9
3.1 PLC应用技术介绍 9
3.2 参数检测及仪表 9
3.3 硬件选型 10
3.4 硬件选型总结 20
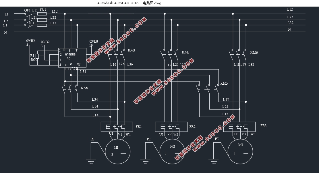
第四章 控制电气图设计 21
4.1 电气图及PLC配置 26
4.1.1 控制模块 26
4.1.2 工业污水处理系统主电路设计 27
4.1.3 PLC选型及I-O资源配置 28
4.1.4数字量及模拟量 29
4.2 硬件控制系统 30
4.2.1硬件控制图 30
4.2.2硬件系统调试 31
第五章 毕业设计总结与展望 34
参考文献 35
致谢 36
|