基于PLC的水源热泵控制系统设计(含CAD图)
来源:56doc.com 资料编号:5D25375 资料等级:★★★★★ %E8%B5%84%E6%96%99%E7%BC%96%E5%8F%B7%EF%BC%9A5D25375
资料以网页介绍的为准,下载后不会有水印.资料仅供学习参考之用. 密 保 惠 帮助
资料介绍
基于PLC的水源热泵控制系统设计(含CAD图)(任务书,开题报告,论文说明书11000字,CAD图8张)
摘 要
随着地球能源的减少以及人们对环保意识的重视,水源热泵作为一种新兴空调系统受到越来越多的重视与青睐。
本文设计了一套基于PLC的水源热泵控制系统,通过对水源热泵控制系统控制方法的研究以及控制要求的分析,进行了包括硬件电路、监控画面组态以及软件编程三方面的设计。
硬件电路的设计包括一次回路和二次回路的设计,采用互锁的方法实现水泵的启停顺序控制,并根据计算所得建筑物冷热负荷对泵以及保护元件进行选型。同时,使用组态软件设计监控画面,实时显示系统各机组的启停状态,是否故障以及历史曲线趋势。用户可以通过监控界面对机组启停、手自动进行控制与设定。最后,对控制系统进行软件编程,通过PLC的PID功能指令实现系统的温度控制。
仿真结果表明:通过上述对控制系统的设计,水源热泵机组具有很好的稳定性、可靠性和安全性。采用变频器拖动电机工作,使系统能在在保持效率的同时做到节能。
关键字:水源热泵 PLC PID
PLC based control system design of the ground water heat pumps
Abstract
With the decrease of the earth energy and the attention people paid to the environmental protection, water heat pump is becoming a new type of air-conditioning system, which is attached more and more attention and favor.
A control system based on PLC for water heat pump was designed in this paper , through the analysis of control method and control requirements of the system, hardware circuit ,monitoring screen configuration and software programming was designed in this paper.
Design of hardware circuit includes primary circuit and secondary circuit design, interlocking method was used in pump order control, and the pump and protective element was selected according to the calculation of income building cooling and heating load. At the same time, monitor screen was design in configuration software . The user can control the unit by the monitoring boundary. Finally, the control system is programmed by PLC, and the temperature control of the system is realized by the PID function instruction .
The simulation result shows that the water heat pump unit has a steady stability and strong working ability through the design of the above mentioned control system. The system can save energy in the premise of work well due to the use of frequency conversion control.
Key Words: water heat pump PLC PID
水源热泵控制系统基本概念
水源热泵控制系统主要由末端系统、井水系统、主机系统等组成[11]。
末端系统(循环机组):主要由循环水泵、循环水检测仪表、循环水管网、杂质过滤系统、各种膨胀定压设备、手自动阀门以及末端空气处理设备等组成。
井水系统(冷水机组):主要由水源取水装置、井水取水泵、各种手自动阀门、井水输水管网以及井水杂质处理设备等组成。
主机系统(热泵机组):主要由压缩机、蒸发器、膨胀阀、冷凝器、以及各种制冷管道和电气控制系统等组成。
控制系统的设计主要是对热泵的冷却水机组、循环水机组以及压缩机的控制方案进行设计,从而达到预定的控制要求,实现高效、节能。




目 录
摘要 I
ABSTRACT II
第一章 绪论 1
1.1国内外相关研究现状 1
1.2水源热泵控制系统基本概念 2
1.3水源热泵控制系统基本形式 2
1.4本课题主要内容 3
第二章 硬件部分的设计 4
2.1 PLC的选择 4
2.2建筑物热负荷计算 5
2.2.1建筑物冷热负荷计算 5
2.2.2电机功率计算 6
2.3主电路及控制电路 7
2.3.1控制方案的设计 7
2.3.2主电路设计与元器件选型 10
2.3.3变频器原理与选型 12
2.3.4控制电路设计 13
2.4 PLC I/O点的分配 14
2.5 PID功能指令介绍 15
第三章 软件部分的设计 18
3.1组态软件的介绍和选择 18
3.2 Wincc flexible的画面创建 19
3.2 .1变量的创建 19
3.2 .2画面的创建 19
3.3 Wincc flexible编译及仿真 23
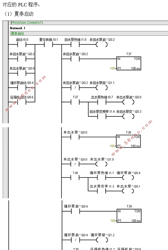
3.4 PLC编程 26
参考文献 33
致 谢 35
|