{$cfg_webname}
主页 > 机械机电 > PLC >

交通灯(十字路口信号灯)智能化设计(新品)

来源:56doc.com  资料编号:5D3837 资料等级:★★★★★ %E8%B5%84%E6%96%99%E7%BC%96%E5%8F%B7%EF%BC%9A5D3837
资料以网页介绍的为准,下载后不会有水印.资料仅供学习参考之用. 帮助
资料介绍

摘  要
可编程序控制器在工业自动化中的地位极为重要,广泛的应用于各个行业。随着科技的发展,可编程控制器的功能日益完善,加上小型化、价格低、可靠性高,在现代工业中的应用更加突出。城市交通灯控制采用的可编程制器具有可靠性高、维护方便,用法简单、通用性强等特点,本文用三菱FX2N的可编程控制器控制十字路口信号灯来说明可编程控制器硬件、软件的设计。解决好公路交通灯控制问题将是保障交通有序、安全、快捷运行的重要环节。但现在有的交通信号灯控制系统都是单一的固定时序控制,不能够根据实际交通状况进行调节控制。三菱系列的可编程序控制器和传感技术来实现对交通灯的智能信号控制。可用如下方案来控制交通路况:制作传感器探测车辆数量来控制交通灯的时长。具体如下:在入路口的各个方向附近的地下按要求埋设感应线圈,当汽车经过时就会产生涡流损耗,环状绝缘电线的电感开始减少,即可检测出汽车的通过,并将这一信号转换为标准脉冲信号作为可编程控制器的控制输入,并用PLC计数,按一定控制规律自动调节红绿灯的时长。
关键词: PLC(可编程序控制器); 三菱FX2N;传感器探测;交通灯。
                         
Abstract
The variable procedure controller is in industry automate the position is extremely important, extensive application in each profession. Along with the development of science and technology, the function of the programmable controller is increasingly perfect, plus smallscaled turn, the price is low, the credibility is high, the application that is in modern industry is more out standing. The city transportation light control adopts programmable to make the tool contain high credibility, the maintenance convenience, the method of using is simple, the in general use strong etc. characteristics, this text uses the design that the programmable controller of the Mitsubishi FX2N control intersections   conveyance light explains the programmable controller hardware software. Resolve the good highway transportation light control problem will is guarantee the transportation contain preface, safety, fast movement of important link. But the transportation signal beacon control systems have now are all the single and fixed cycle times controls, can't carry on regulating the control according to the actual transportation condition enough. The programmable preface controller of the Mitsubishi series and spread the feeling technique to carry out the intelligence signal control toward the transportation light. Can use as follows the project controls the transportation situation on road: the creation spreads the feeling machine to probe into the vehicle quantity the hour of control the transportation light is long. In a specific way and as follows: The at go the into the underground of the each the direction neighborhood the of the street corner the to lay the to respond the coil the according to the trequest, the be the automobile to the pass by the will produce the to flow the to exhaust, the wreath the form insulates the electricity the feeling of the  electric the wire to start reduce, can immediately examine pass of an automobile, and convert this signal control importation that is the programmable controller for the standard pulse signal, counteract the PLC to count, long by the hour that the certain control regulation regulates the traffic lights automatically.

Keywords:PLC( Programmable Logical Controller); Trapezoid; diagram; Instruction In proper order function diagram Transportation light

本课题主要研究内容
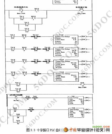
按照城市交通控制的需要,本文讨论了用PLC实现正常时序、急车强通2种控制方式,通过传感器与PLC完成对交通异常状况(滞留或堵车)的判别及处理。
正常时序控制对路面进行控制.南北方向红灯时,东西方向绿灯.绿灯闪3秒紧接着黄灯闪2秒,变红灯.南北方向红灯直接变绿灯.东西方向红灯时同理.
    急车强通时,发送信号给交通灯让其对来急车方向的交通灯进行绿灯畅通. 急车强通信号受急车强通开关控制;无急车时,信号灯接正常时序控制;有急车来时,一律强制让急车方向的绿灯亮,使急车放行,直至急车通过为止。
交通滞留的异常情况,在路口与路尾设置两个传感器进行检测车流量.交通路段车流量繁忙时,传感器起到勘测车流量的存在与通过的作用。当一方车流量过大的时候,PLC要对控制这一路段的信号灯进行调控,让滞留或堵车的一方绿灯时间加长,直到交通畅通为止这种工作的好处是避免了交通堵塞造成的不必要的麻烦与事故,对交通的控制进行很方便,很便捷。

交通灯(十字路口信号灯)智能化设计(新品)
交通灯(十字路口信号灯)智能化设计(新品)
交通灯(十字路口信号灯)智能化设计(新品)
交通灯(十字路口信号灯)智能化设计(新品)
交通灯(十字路口信号灯)智能化设计(新品)

   
目  录    20000字
第1章   绪论
  1.1引言 4
  1.2课题研究背景.4
  1.3现代城市交通灯控制现状.5
  1.4本课题主要研究内容.6
第2章  PLC功能简介
  2.1概论.7
  2.2可编程控制技术的发展及趋势10
  2.3主要用途.13
  2.4可编程控制器的特点.13
  2.5可编程控制器的组成.16
  2.6PLC的工作原理.17
  2.7主要功能.19
第3章   交通灯控制电路的设计
  3.1 PLC正常时序..22
3.2I/O地址分配.22
  3.3控制要求.23
  3.4设计方案.24
  3.5运行程序语句表. 38
  3.6运行效果.40
第4章   总结.40
参考文献.  41
致谢 ... 42

推荐资料